Запчасти Bobcat 322 CRANKCASE (Kubota D722-E2B-BC-1) REPLACEMENT ENGINE

Схема запчастей Bobcat 322 - CRANKCASE (Kubota D722-E2B-BC-1) REPLACEMENT ENGINE
FIT
1:1
100%

Артикул

Название

Примечание

Количество

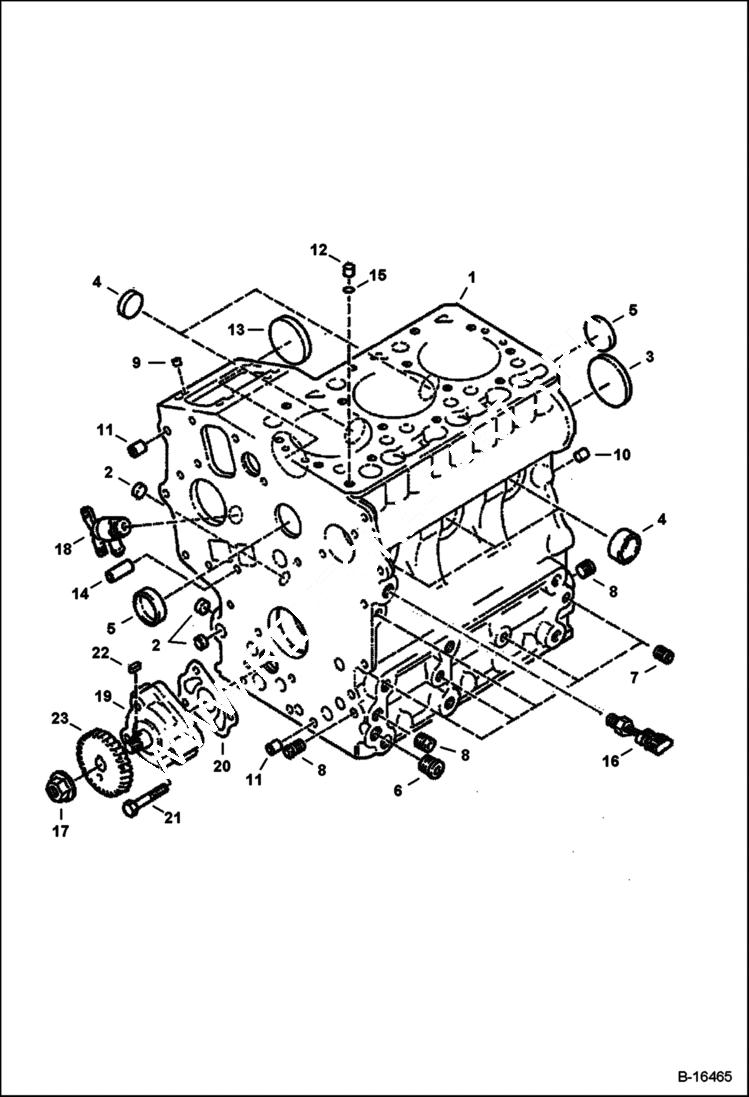
1

6688365

CRANKCASE W/Ref. 2-14

1

6599985

LINER

1

7016962

BLOCK, ENG W/Ref. 2-14

2

6670337

PLUG

3

6652573

PLUG

4

6670338

PLUG

5

6657431

CAP

6

6652575

PLUG

7

6598116

PLUG Was 6652797 - A

8

6652574

PLUG

9

6657423

PIN

10

21JM814

PIN dowel

11

3974039

PIN

12

3974037

PIN

13

6670339

PLUG

14

6670344

PIN

14

3974039

PIN

15

3974038

O RING - included W/upper gasket kit

16

6676053

SWITCH oil pressure

16

6671058

ADAPTER

17

6670343

NUT

18

6657456

DRAINCOCK

19

6670340

OIL PUMP

20

6670341

GASKET - included w/lower gasket kit

21

6683010

BOLT

22

15JM48

KEY

23

6670342

GEAR

Выбрано товаров: 27