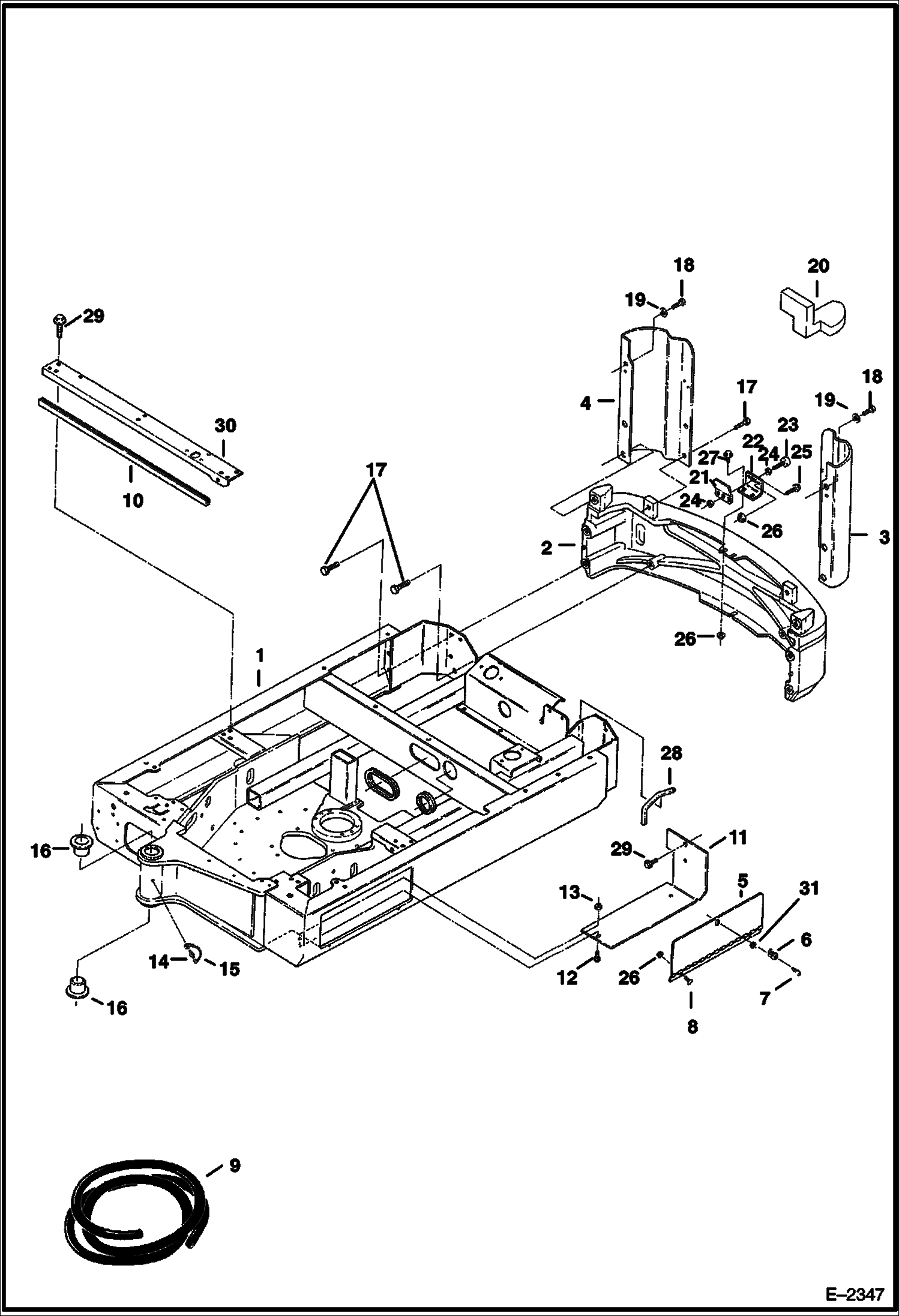
Запчасти Bobcat 322 UPPERSTRUCTURE & COUNTERWEIGHTS MAIN FRAME

Схема запчастей Bobcat 322 - UPPERSTRUCTURE & COUNTERWEIGHTS MAIN FRAME
FIT
1:1
100%

Артикул

Название

Примечание

Количество

1

FRAME NLA - Upperstructure - Order 6805524 - Was 6800845 - A

1

6805524

FRAME Upperstucture

2

6587934

COUNTERWEIGHT

3

6587895

CORNER POST L.H.

4

6588131

CORNER POST R.H.

5

6588154

COVER Tool Box

6

6674389

LOCK ASSY Was 6661695 - A

7

6587458

KEY

8

21CM820

BOLT

9

6512686

MOULDING bulk - sold per foot - Was 6620417 - A

10

MOULDING NLA - 23'' (584 mm) long - Order Ref. 9 - Was 6587519 - A

11

6587969

ANGLE Tool Box Bottom

12

29CM1020

BOLT

13

53DM10

NUT Was 49DM00010B - B

14

10H25

FITTING, GREASE 5

15

6652943

COVER grease fitting

16

6539897

BUSHING

17

1CM1630

BOLT

18

1CM1230

BOLT

19

1EM120

WASHER

20

6588897

INSULATION

21

6588252

BRACKET for rear door latch

22

6588251

ANGLE for rear door latch

23

6655399

BUMPER

24

61D5

NUT

25

29CM820

SCREW

26

43DM8

NUT Was 42DM00008B - B

27

29CM825

BOLT

28

6539867

MOULDING 8'' (203mm) long - Order Ref. 9

29

26GM10020

BOLT

30

6802625

ANGLE Was 6801608 - A

31

6675843

NUT

Выбрано товаров: 32