Качественные детали и логистика
Оригинальные и аналоговые запчасти с доставкой по России, Казахстану и Беларуси
©2022 PartSell ООО "Система" ИНН 2463123282 ОГРН 1212400004838
Центральный офис: г. Красноярск, Академика Киренского, д.87, пом.4
Телефон: 8 (800) 777-65-74 Email: zakaz@partsell.ru
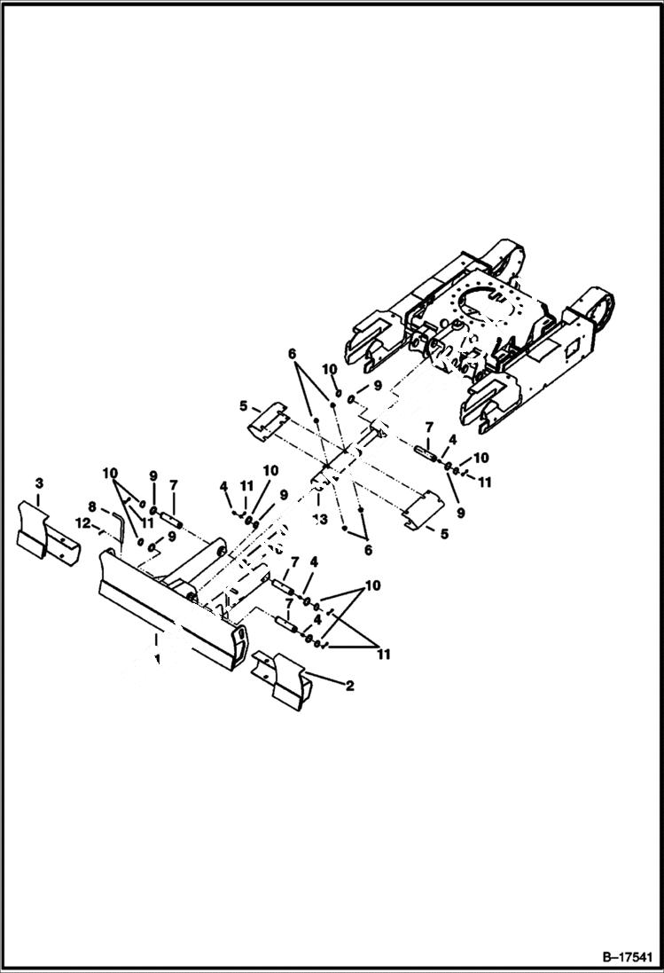
BLADE (S/N 562320001 & Above, 517811001 & Above)
№
Артикул
Название
Примечание
Количество
1
6804929
BLADE
2
6804936
BLADE LH - extension
3
6804942
BLADE RH - extension
4
10H25
FITTING, GREASE 5
5
6805831
SHIELD
6
43DM10
NUT
7
6805134
PIN
8
6805445
9
6589699
WASHER
10
6512132
SNAP RING
11
6652943
COVER grease fitting
12
1306637
CLIP
13
6805835
CYLINDER See Illustration BLADE CYLINDER/ B17547
Выбрано товаров: 0