Запчасти Bobcat 322 TRAVEL/STEERING LEVERS CONTROLS

Схема запчастей Bobcat 322 - TRAVEL/STEERING LEVERS CONTROLS
FIT
1:1
100%

Артикул

Название

Примечание

Количество

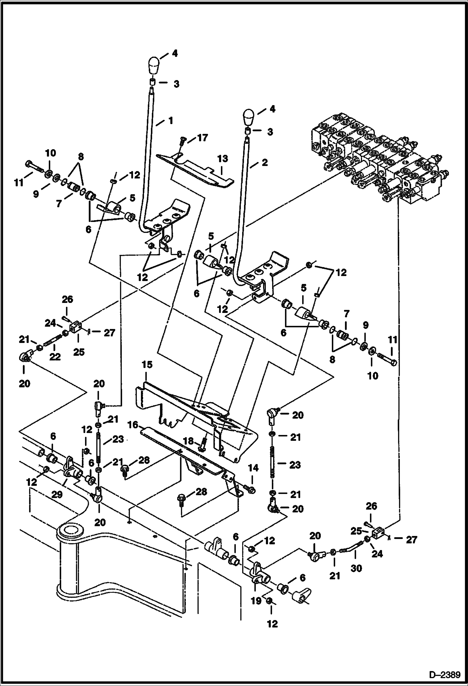
1

6589983

LEVER RH travel

2

6589981

LEVER LH travel

3

6660787

RING Tolerance

4

6658184

KNOB

5

6537481

MOUNT Pivot

6

6536801

BUSHING

7

6536545

SLEEVE

8

58K015

O-RING 10

9

6536802

WASHER

10

27E6

WASHER 5

11

1CM1055

BOLT

12

53DM10

NUT Was 49DM00010B - B

13

6801982

COVER

14

26GM10020

BOLT

15

6801442

MOUNT

16

6801470

SUPPORT

17

26GM8016

SCREW

18

29CM1025

BOLT

19

6536831

LEVER

20

6536531

BALL JOINT

21

4DM10

NUT Was 1DM00010B - B

22

6587429

ROD

23

6586645

ROD

24

6587431

NUT LH thread

25

6587430

CLEVIS LH thread

26

6536543

PIN Clevis

27

1F212

PIN

28

29CM1020

BOLT

29

6801462

LEVER

30

6589993

ROD

Выбрано товаров: 30