Запчасти Bobcat 322 BLADE CONTROLS CONTROLS

Схема запчастей Bobcat 322 - BLADE CONTROLS CONTROLS
FIT
1:1
100%

Артикул

Название

Примечание

Количество

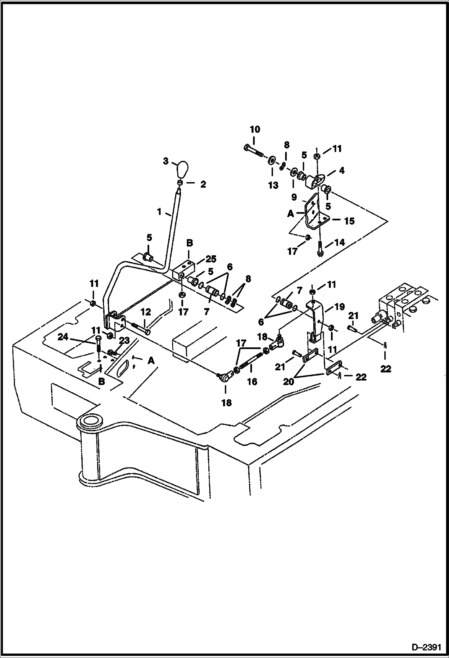
1

6588436

LEVER Blade

2

6660787

RING Tolerance

3

6658184

KNOB

4

6537481

MOUNT Pivot

5

6536801

BUSHING

6

58K015

O-RING 10

7

6536545

SLEEVE

8

6536803

WASHER Wave spring

9

6536802

WASHER

10

1CM1055

BOLT

11

53DM10

NUT Was 49DM00010B - B

12

1CM1080

BOLT

13

27E6

WASHER 5

14

29CM1025

BOLT

15

6586808

BRACKET

16

6586652

ROD

17

4DM10

NUT Was 1DM00010B - B

18

6536531

BALL JOINT

19

6801469

LEVER

20

6587140

CONNECTOR

21

6536543

PIN Clevis

22

1F212

PIN

23

29CM1030

BOLT

24

1CM1045

BOLT

25

6588313

MOUNT

Выбрано товаров: 25