Запчасти Bobcat 323 VALVE SECTION (Boom Offset) (320J) HYDRAULIC SYSTEM

Схема запчастей Bobcat 323 - VALVE SECTION (Boom Offset) (320J) HYDRAULIC SYSTEM
FIT
1:1
100%

Артикул

Название

Примечание

Количество

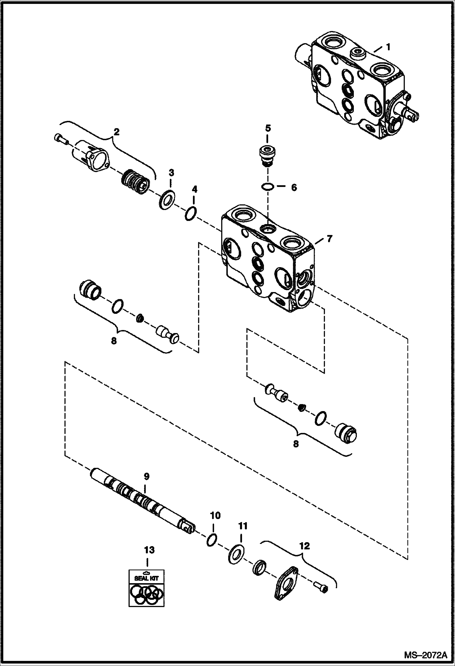
1

6680036

VALVE boom offset - 320J

2

6680068

KIT

3

SEAL NSS - Order Ref. 13

4

O-RING NSS - Order Ref. 13

5

6680092

VALVE, LOCK LOAD

6

O-RING NSS - Order Ref. 13

7

BLOCK NSS - Order Ref. 1

8

6680247

VALVE

9

SPOOL NSS - Order Ref. 1

10

O-RING NSS - Order Ref. 13

11

SEAL NSS - Order Ref. 13

12

6680097

KIT cover

13

6680124

SEAL KIT

Выбрано товаров: 13