Запчасти Bobcat 323 OIL PAN REPLACEMENT ENGINE

Схема запчастей Bobcat 323 - OIL PAN REPLACEMENT ENGINE
FIT
1:1
100%

Артикул

Название

Примечание

Количество

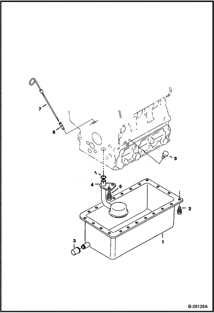
1

6688056

OIL PAN

2

1CM614

SCREW Was 4CM614 - A

3

6687741

PLUG

4

6670348

SCREEN oil pickup

5

6680284

O-RING

6

6667420

BOLT

7

6688077

DIPSTICK

8

6677203

TUBE,DIPSTICK dipstick

9

6969804

PLUG,OIL GAUGE

Выбрано товаров: 9