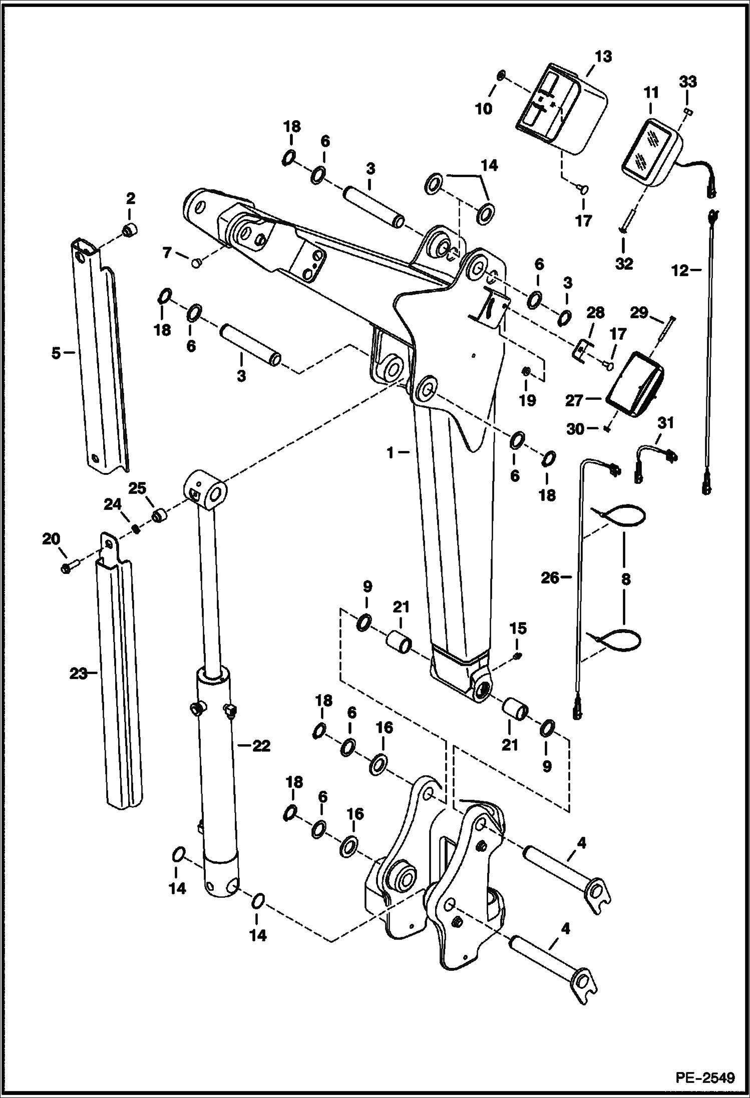
Запчасти Bobcat 323 BOOM WORK EQUIPMENT

Схема запчастей Bobcat 323 - BOOM WORK EQUIPMENT
FIT
1:1
100%

Артикул

Название

Примечание

Количество

1

7177739

BOOM, ARM DIPPER Also Order (2) of Ref. 9 & 21 - Was 7102660 - A

2

6587472

SPACER for Use W/Ref.5 (NLA/6596493 shield)

3

6589067

PIN

4

6589092

PIN

5

SHIELD NLA - Order 7130862 shield - also order Ref. 24 & 25 - Was 6589356 - A

6

6589699

WASHER

7

6597572

BUMPER

8

6610510

TIE Was 1715312B - A

9

6653534

SEAL

10

6675859

RETAINER

11

6675938

LIGHT W/pigtail - Use W/Ref. 13

12

HARNESS NLA - work light - 113'' (2870mm) long - Order Ref. 26 - Was 6807747 - A

13

BRACKET NLA - Order Ref. 27 - 31 - Was 6808258 - A

14

6533856

SHIM

15

10H25

FITTING, GREASE 5

16

1EM270

WASHER

17

28CM820

BOLT Was 21CM820 - B

18

22J19

SNAP RING

19

51DM8

NUT Was 4DM8 - B

20

59CM1035

BOLT

21

7100276

BUSHING

22

CYLINDER See Illustration BOOM CYLINDER/ PE2529

23

7130862

SHIELD

24

7135076

SPRING WASHER for Use W/Ref. 23

25

7131110

SPACER for Use W/Ref. 23

26

7135895

HARNESS work light - 116'' (2946mm) long

27

6691410

LIGHT W/O pigtail - Use W/Ref. 28

27

6692400

BULB

28

7135899

BRACKET 1.82'' (46,2mm) wide - for light W/O pigtail

29

1CM655

SCREW

30

51DM6

NUT

31

7135981

HARNESS extension - 6'' (152mm) long

32

17C532

BOLT 5

33

61D5

NUT

Выбрано товаров: 34