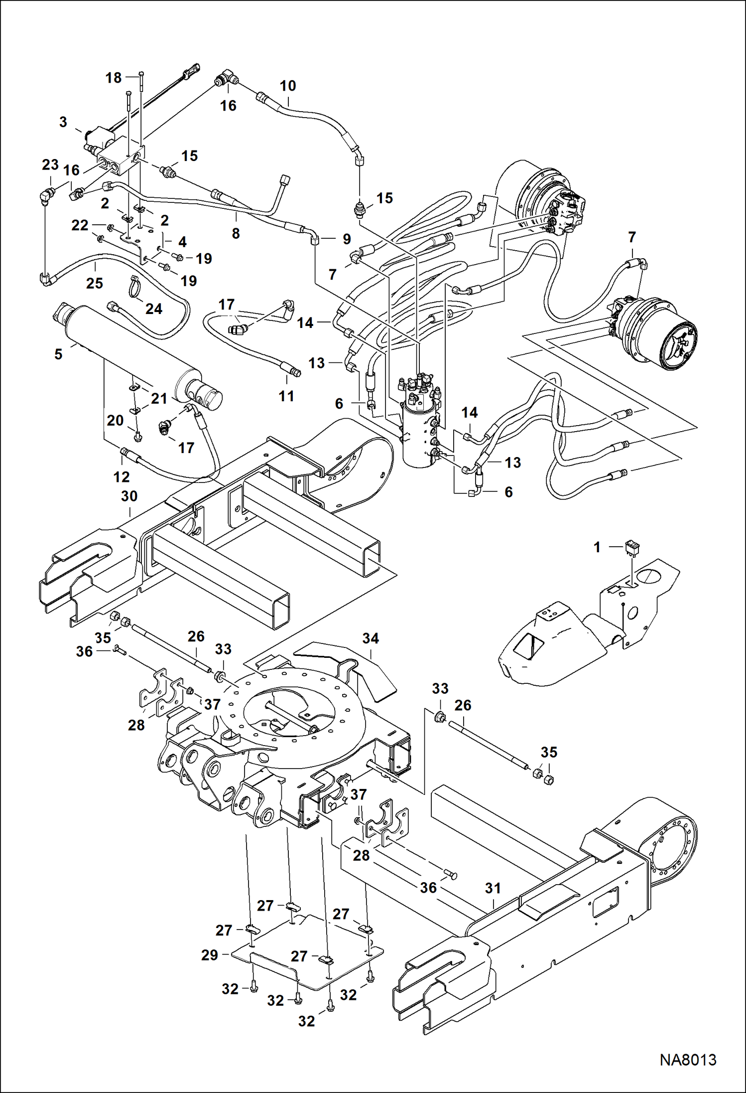
Запчасти Bobcat 324 UNDERCARRIAGE (Expandable) (AKY511001 & Above) ACCESSORIES & OPTIONS

Схема запчастей Bobcat 324 - UNDERCARRIAGE (Expandable) (AKY511001 & Above) ACCESSORIES & OPTIONS
FIT
1:1
100%

Артикул

Название

Примечание

Количество

1

6674025

SWITCH

2

6676026

NUT

3

7186806

VALVE SELECTOR See Illustration SELECTOR VALVE/ EM6356 Was 6686508 - B, D

4

7188014

BRACKET Was 7109284 - B, D

5

7114692

CYLINDERASSY 319K UC See Illustration TRACK CYLINDER/ EM1920

6

7115651

hOSE ASSY

7

7197629

HOSE HYDRAULIC ASSY Was 7115652 - A

8

7185723

TUBELINE

9

7186797

HOSE ASSEMBLY

10

7187174

HOSE ASSEMBLY

11

7179273

HOSE, HYD

12

7179274

HOSE, HYD

13

7179275

HOSE, HYD

14

7179276

HOSE, HYD

15

15KB0606

FITTING, HYD CONNECTOR

15

79K6

O RING 10

16

17KB0606

FITTING

16

79K6

O RING 10

17

18KB0606

FITTING, HYD ELBOW

17

79K6

O RING 10

18

1CM650

SCREW

19

29CM1025

BOLT

20

29CM816

SCREW Was 29CM820 - B, D

21

30H38

CLIP

22

51DM10

NUT

23

6812815

FITTING Was 17KB0606 - A

23

79K6

O RING 10

24

6624289

STRAP, TIE

25

7187251

HOSE ASSEMBLY

26

7191522

ROD Was 6805050 - A

27

6675722

NUT

28

6805378

MOUNT

29

7188552

COVER

30

7226007

FRAME TRACK W/A RH Was 7209906 - A

31

7226006

FRAME TRACK W/A LH Was 7188610 - A

32

29CM1025

BOLT

33

51DM16

NUT

34

7209872

UNDERCARRIAGE, W/A Was 7183142

35

1DM16

NUT

36

28CM1040

BOLT

37

51DM10

NUT

Выбрано товаров: 41