Запчасти Bobcat 325 SWIVEL JOINT (S/N 511820001-20197) HYDRAULIC SYSTEM

Схема запчастей Bobcat 325 - SWIVEL JOINT (S/N 511820001-20197) HYDRAULIC SYSTEM
FIT
1:1
100%

Артикул

Название

Примечание

Количество

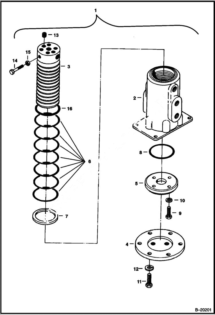
1

SWIVEL JOINT See BTIE-031 - NLA - Assy. - Ref. 2-15 - Was 6534250 - A

2

BODY NSS

3

ROTOR NSS

4

COVER NSS

5

CAP NSS

6

6534251

O-RING

7

6655076

SEAL

8

6534252

O-RING

9

7GM1025

BOLT

10

6EM100

WASHER

11

1CM825

BOLT

12

6EM80

WASHER, SPRING

13

6655075

PLUG

14

BOLT See Illustration SWIVEL JOINT/ PE3057 - NLA - Use W/NLA 6536478 nut - Order 6810029 swivel stop - Was 6536147 - A

15

NUT Use W/NLA 6536147 screw - Was 6536748 - B

16

6534253

O-RING

Выбрано товаров: 16