Запчасти Bobcat 325 ELECTRICAL SYSTEM ELECTRICAL SYSTEM

Схема запчастей Bobcat 325 - ELECTRICAL SYSTEM ELECTRICAL SYSTEM
FIT
1:1
100%

Артикул

Название

Примечание

Количество

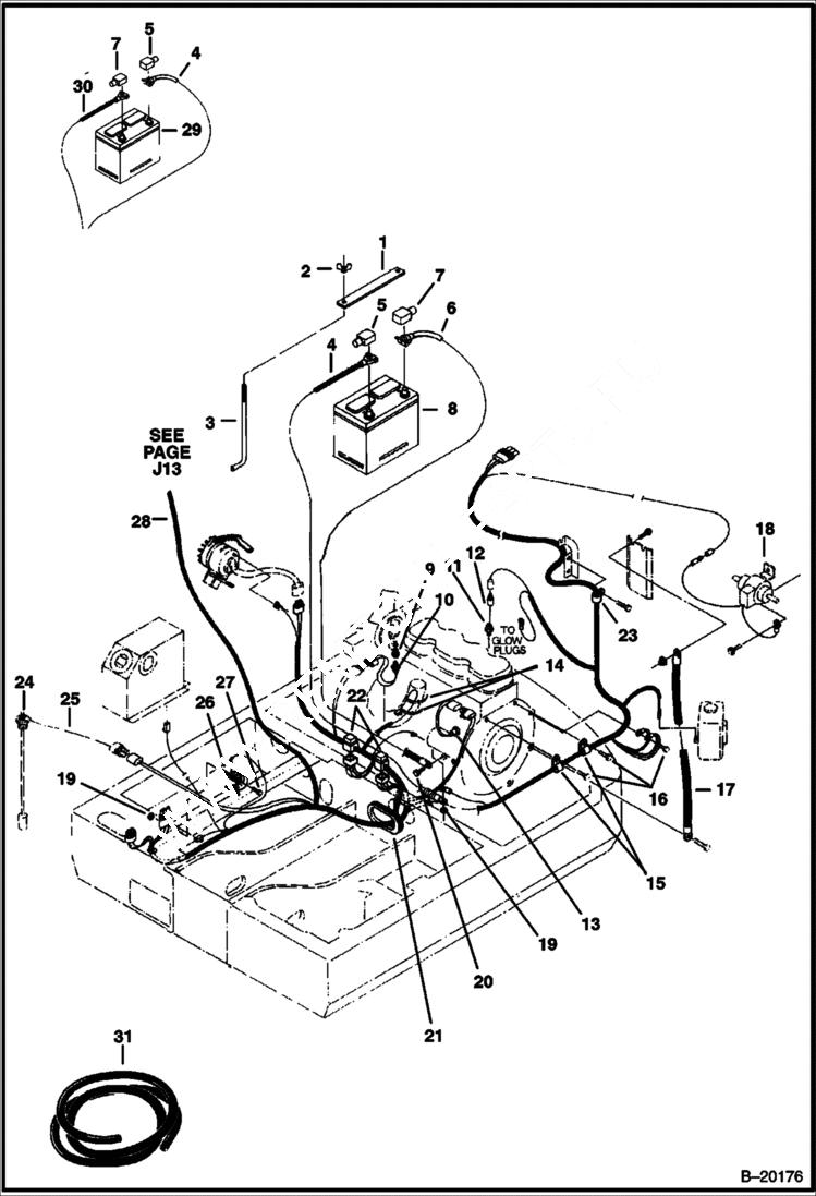
1

6535650

CLAMP

2

35DM80

NUT Wing

3

6536738

BOLT Battery

4

6564991

CABLE Positive - W/Ref. 5

5

2356058

BOOT

6

6588390

CABLE Negative - 48'' (1225mm) long - W/Ref. 7

7

6599652

BOOT Incl. W/Ref. 6 or 30

8

6665093

BATTERY W/Handle

8

6670251

BATTERY, DRY 530 AMP W/Handle

9

19F6

FITTING

10

6657082

SWITCH Water Temperature

11

6657287

SENDOR Engine Temp. - Was 6537502 - A

12

6538534

WIRE Resistance

13

6657389

SWITCH Oil Pressure - Was 6537501 - A

14

6610510

TIE

15

31H42

CLIP

16

5CM1020

SCREW

17

6565170

CABLE neg

18

3975370

PUMP FUEL

19

1DM8

NUT

20

6CM1220

BOLT Was 5CM01220B - D

21

MOULDING NLA - 18.5'' (470 mm) long - Order Ref. 31

22

6651975

SWITCH Magnetic - Glow Plug & Starter

23

30H41

CLIP Harness

24

6662220

SENDER See Illustration FUEL SYSTEM AND TANKS/ TS1178 - Fuel Level

24

6664445

SENDER See Illustration FUEL SYSTEM AND TANKS/ TS1178 - Fuel Level

24

79K14

O RING 10

25

6588351

HARNESS Fuel

26

6665105

ALARM Was 6662635 - A

27

1CM816

BOLT

28

6589318

HARNESS Main - Was 6588710 - A

28

3675725

DIODE

29

6662222

BATTERY

30

6558372

CABLE Negative - 36 inch (915mm) long - W/Ref. 7

31

6654139

MOULDING bulk - sold per foot

Выбрано товаров: 35