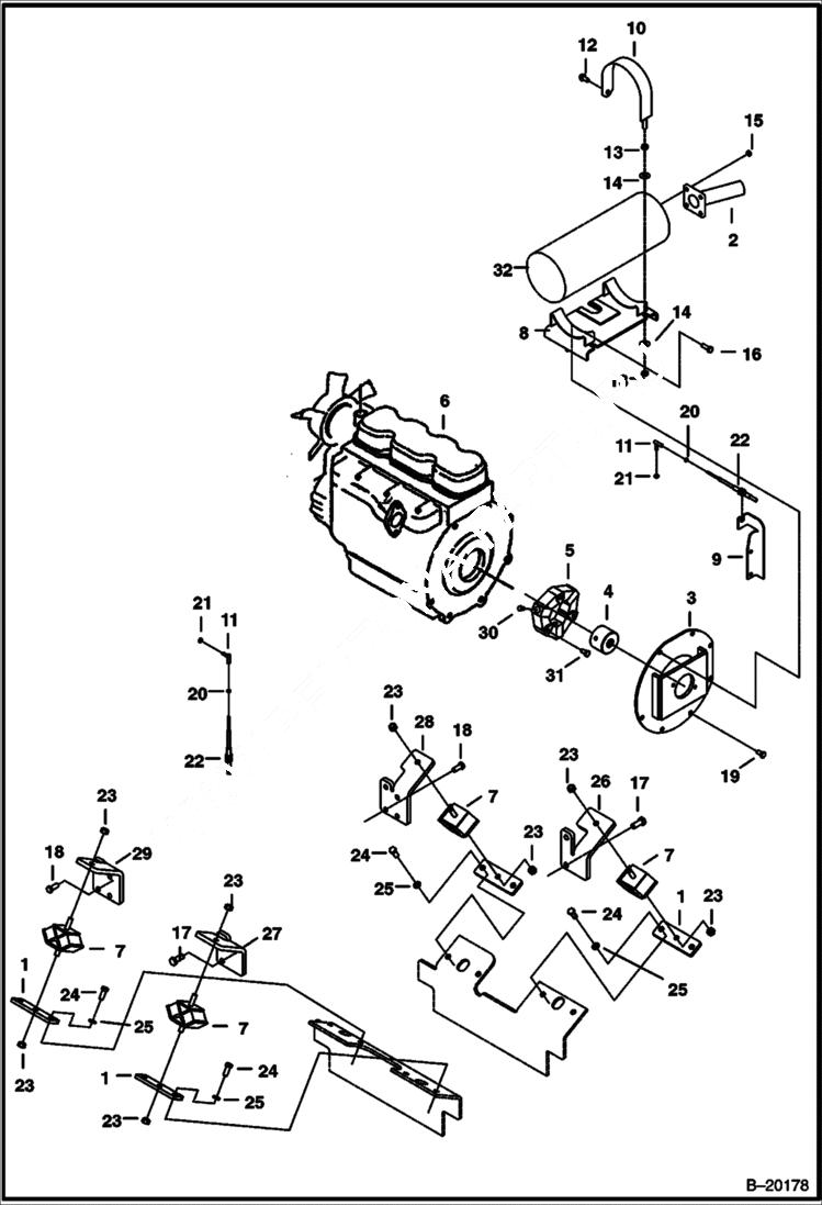
Запчасти Bobcat 325 ENGINE MOUNTING AND ATTACHING PARTS POWER UNIT

Схема запчастей Bobcat 325 - ENGINE MOUNTING AND ATTACHING PARTS POWER UNIT
FIT
1:1
100%

Артикул

Название

Примечание

Количество

1

6588623

PLATE

2

6588635

PIPE Exhaust

3

6535661

MOUNT Pump

4

6537440

COUPLING Pump

5

6660771

COUPLING Pump

6

ENGINE NLA - Order 6657113REM - Was 6657113 - A

6

6657113REM

ENGINE, KUBOTA D1402

7

6534256

MOUNT Motor Mount

8

6535658

BRACKET Exhaust Mount

9

6537534

BRACKET Speed Control

10

6537535

CLAMP Muffler

11

6644965

BALL JOINT

12

29CM1020

BOLT

13

1DM10

NUT

14

17EM100

WASHER

15

1DM8

NUT

16

5CM1030

BOLT

17

5CM1435

BOLT

18

6CM1230

BOLT

19

5CM1020

SCREW

20

14DM10

NUT

21

62D4

NUT

22

6657699

CABLE

23

49DM12

NUT

24

1CM1230

BOLT

25

6EM120

WASHER

26

6538613

MOUNT

27

6538615

MOUNT

28

6588956

MOUNT

29

6588957

MOUNT

30

6537441

BOLT

31

BOLT NLA - Was 6537500 - A

32

MUFFLER See Illustration MUFFLER & POWER TAKE OFF/ B20177

Выбрано товаров: 33