Качественные детали и логистика
Оригинальные и аналоговые запчасти с доставкой по России, Казахстану и Беларуси
©2022 PartSell ООО "Система" ИНН 2463123282 ОГРН 1212400004838
Центральный офис: г. Красноярск, Академика Киренского, д.87, пом.4
Телефон: 8 (800) 777-65-74 Email: zakaz@partsell.ru
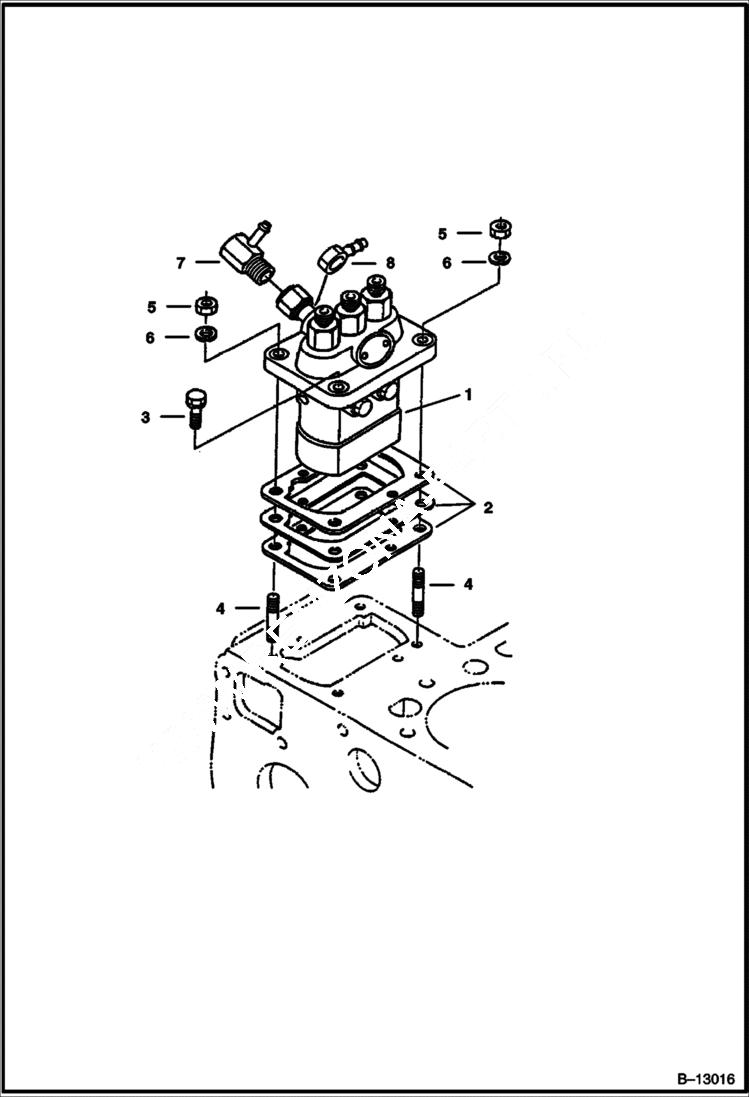
INJECTION PUMP
№
Артикул
Название
Примечание
Количество
1
6653892
PUMP Assy.
2
6654719
SHIM 0,15 mm
6653897
SHIM 0,30 mm
6654720
SHIM 0,45 mm
3
4CM822
BOLT
4
6652670
STUD
5
6652792
NUT
6
6EM80
WASHER, SPRING
7
6598102
VALVE jet start
8
6513707
JOINT See Illustration INJECTOR PUMP/ B13017 - Was 6652658 - A
Выбрано товаров: 10