Запчасти Bobcat 325 ROCKER ARM COVER POWER UNIT

Схема запчастей Bobcat 325 - ROCKER ARM COVER POWER UNIT
FIT
1:1
100%

Артикул

Название

Примечание

Количество

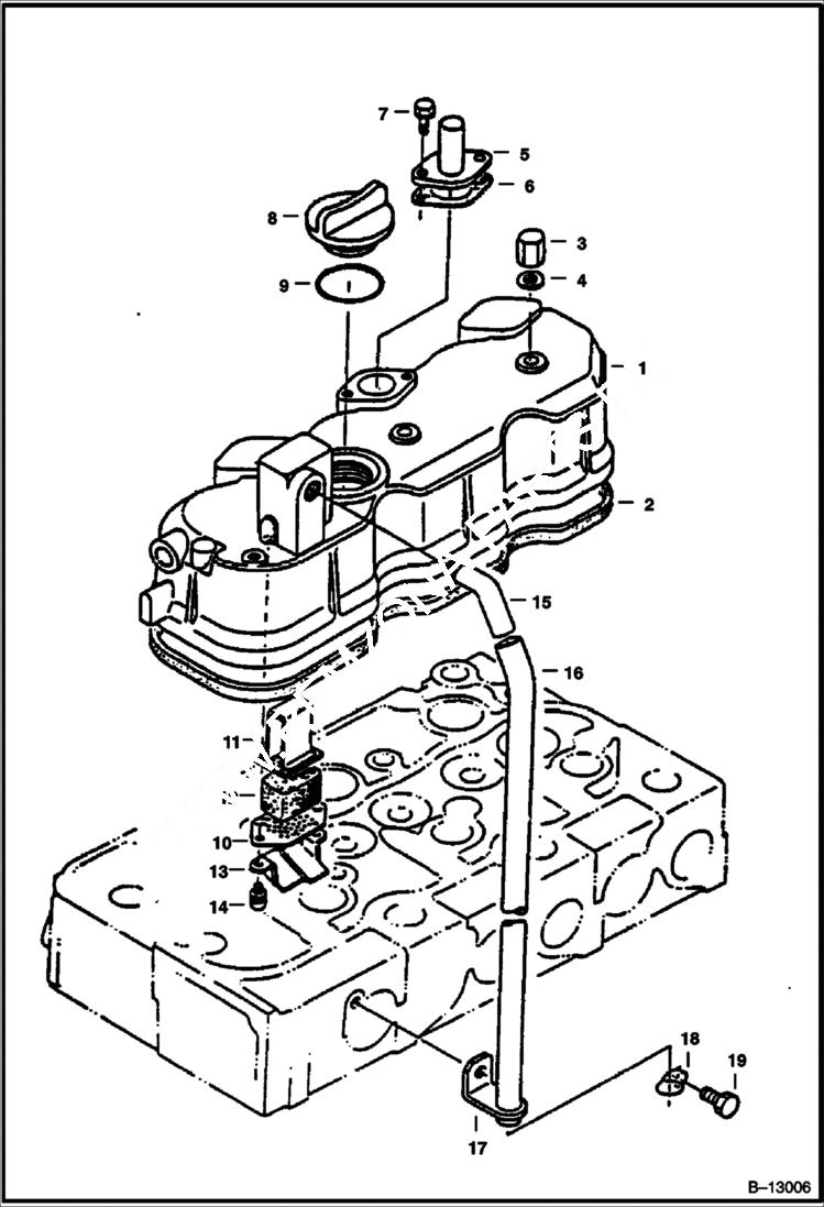
1

6653834

COVER

2

6598709

GASKET See Illustration UPPER GASKET KIT/ C3221 - Included w/upper gasket kit

3

3974923

NUT Was 6653835 - A

4

3974095

MET-GASK See Illustration UPPER GASKET KIT/ C3221 - Included W/upper gasket kit

5

6650435

COVER

6

3974537

GASKET See Illustration UPPER GASKET KIT/ C3221 - Included W/upper gasket kit

7

1CM614

SCREW Was 4CM614 - A

8

6685924

CAP oil filler - Was 6652653 - A

9

6684782

O-RING See Illustration UPPER GASKET KIT/ C3221 - included W/upper gasket kit - Was 3966602 - A

10

3974924

PLATE

11

3974925

PLATE

12

3974926

BREATHER

13

6653822

SHIELD Oil Breather

14

3975436

SCREW W/washer

15

6652624

JOINT

16

3974930

PIPE

17

3974931

CLAMP Was 6653823 - A

18

3975385

CLAMP

19

6653824

BOLT

Выбрано товаров: 19