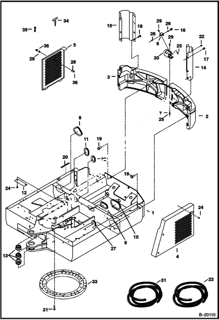
Запчасти Bobcat 325 UPPERSTRUCTURE & ENGINE COVERS MAIN FRAME

Схема запчастей Bobcat 325 - UPPERSTRUCTURE & ENGINE COVERS MAIN FRAME
FIT
1:1
100%

Артикул

Название

Примечание

Количество

1

6596092

FRAME Upperstructure

2

6588239

COUNTERWEIGHT L.H.

3

6588241

COUNTERWEIGHT R.H.

4

6588611

COVER Side, L.H.

5

6589626

COVER Side, R.H. - Locking

6

6804078

BRACKET Was 6588539 - A

7

10EM80

WASHER

8

MOULDING NLA - 16'' (391mm) long - Order Ref. 31

9

MOULDING NLA - 12'' (308mm) long - Order Ref. 31

10

MOULDING NLA - 18'' (454mm) long - Order Ref. 31

11

MOULDING NLA - 11'' (280 mm) long - Order Ref. 31

12

6596723

COVER Was 6539292 - A

13

6589322

BUSHING,PRESS FIT

14

6587895

CORNER POST L.H.

15

6588131

CORNER POST R.H.

16

6655399

BUMPER

17

29CM1225

BOLT

18

1CM1630

BOLT

19

1CM2040

BOLT

20

INSULATION NLA - 6'' (152 mm) long - Order Ref. 23

21

7CM1260

BOLT

22

26GM8016

SCREW

23

SEAL NLA - bulk - sold per foot - Was 6632217 - B

24

26GM10020

BOLT

25

43DM8

NUT Was 42DM00008B - B

26

61D5

NUT

27

MOULDING NLA - 7'' (178mm) long - Order Ref. 31

28

6536802

WASHER

29

29CM825

BOLT

30

6589060

BRACKET latch - rear door

31

6654139

MOULDING bulk - sold per foot

32

MOULDING NLA - 8'' (196mm) long - Order Ref. 31

33

6655124

BEARING See Illustration UNDERCARRIAGE/ E2201

34

6586494

PIN Alignment - Service Tool for Aligning Swing Bearing When a Disassembled Upperstructure has been removed from Under- Carriage.

35

6535902

BOLT Alignment - Service Tool for Aligning Swing Bearing when an Assembled Upperstructure has been removed from Under- Carriage

36

6674389

LOCK ASSY - Was 6661695 - A

36

6587458

KEY

Выбрано товаров: 37