Запчасти Bobcat 325 OPERATOR CAB (Front Window) MAIN FRAME

Схема запчастей Bobcat 325 - OPERATOR CAB (Front Window) MAIN FRAME
FIT
1:1
100%

Артикул

Название

Примечание

Количество

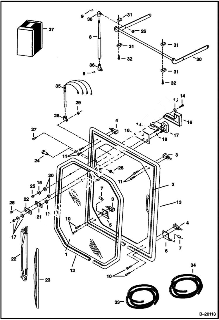
1

WINDOW ASSY NLA - Incl. Refs. 1-6, 10-17, 19-23, 25, 27-29 & 35 - Order 6667155 - Was 6628874 - A

1

6667155

WINDOW ASSY Incl. Refs. 2-15,19, 20, 23-29 & 37

2

6628875

FRAME Was 6667194 - A

3

6628883

LATCH Was 6667192 - A

3

6628889

HANDLE

4

6628884

LATCH Was 6667193 - A

4

6628889

HANDLE

5

6628879

GUIDE PIN RH - Was 6667190 - A

6

6628880

GUIDE PIN LH - Was 6667191 - A

7

6667202

ROLLER

8

6667199

GAS SPRING

9

6664073

CLIP Ball Joint Retainer

10

6667197

BOLT 3/4'' long

11

6667196

BOLT 5/8'' long

12

SEAL NLA - 116'' (2946 mm) long - Order Ref. 33

13

SEAL NLA - 135'' (3429 mm) long - Order Ref. 34

14

6664566

BOLT

15

6664065

WASHER

16

6664177

COVER Wiper Motor

17

6664094

WIPER MOTOR 2 Speed

17

6668137

MOTOR, WIPER single speed

19

6667201

SPACER

20

6664085

BUSHING

21

6664178

GASKET Was 6667200 - A

22

6664095

ARM, WIPER W/pivot mount

23

6664096

BLADE, WIPER WINDOW

24

6800857

BOLT Was 6664108 - A

25

6664103

NUT

26

6648364

NUT

27

6667198

BOLT

28

30H21

CLAMP 10 Was 30H000018B - A

29

7031515

NUT Acorn 1/4'' - Was 6664056 - A

30

6803154

LINKAGE Was 6628891 - A

31

6664560

BLOCK Linkage Mount

32

6664059

BOLT

33

6648405

SEAL Bulk - Sold Per Foot

34

6664088

SEAL Bulk - Sold Per Foot

35

6669142

HARNESS Wiper Motor - single speed - Was 6664162 - A

35

HARNESS NLA - Wiper Motor - two speed

35

6669141

HARNESS Cab - Was 6664162 - A

36

6649244

BALL STUD Cylinder - Was 6664072 - A

37

6667195

GLASS

Выбрано товаров: 42