Запчасти Bobcat 325 FRONT IDLER (For All Steel Tracks & For Rubber Tracks on European Models) UNDERCARRIAGE

Схема запчастей Bobcat 325 - FRONT IDLER (For All Steel Tracks & For Rubber Tracks on European Models) UNDERCARRIAGE
FIT
1:1
100%

Артикул

Название

Примечание

Количество

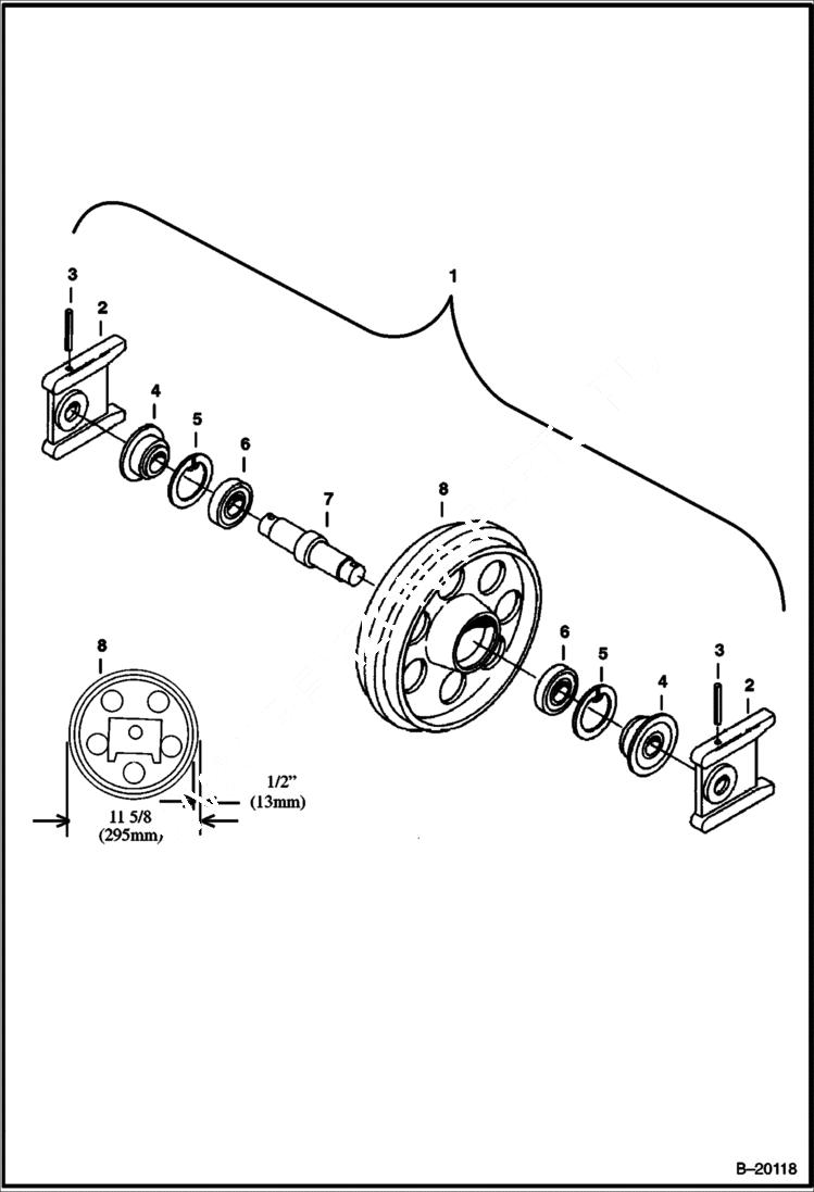
1

IDLER NLA - Assy. - Ref. 2-8 - Order 6808250 - Was 6588994 - A

2

6588995

BLOCK

3

2JM1060

PIN

4

6655061

SEAL

5

7JM72

SNAP RING

6

6684339

BEARING Was 6655856 - A

7

6588997

SHAFT

8

IDLER See Illustration FRONT IDLER/ B17805 NLA - Order 6808250 - check the outer diameter before ordering parts - Was 6588998 - A

Выбрано товаров: 8