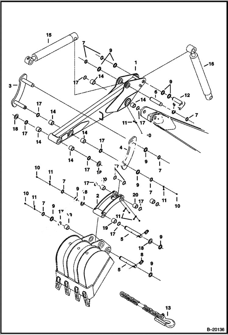
Запчасти Bobcat 325 ARM & BUCKET LINK (NAP Arm) WORK EQUIPMENT

Схема запчастей Bobcat 325 - ARM & BUCKET LINK (NAP Arm) WORK EQUIPMENT
FIT
1:1
100%

Артикул

Название

Примечание

Количество

1

ARM See Illustration ARM/ TS1369 NLA - Order 7127622 - Was 6803890 - A

1

ARM, LONG See Illustration ARM/ TS1369 NLA - Order 7127628 - Was 6803892 - A

2

LINK NLA - Order 6805374 - Was 6803212 - A

2

6805374

LINK assy - W/Ref. 17 (6), 19 (2) & 20 (2)

3

7173235

LINK, GUIDE W/A Was 7127600 - A

4

7173234

LINK, GUIDE Was 7129624 - A

5

PIN See BTIE-081

6

6595660

PIN

7

6534154

RING

8

6560382

PIN, LOCK Lock Ring

9

6534111

WASHER

10

12H15

FITTING, GREASE 5 Use W/arm NLA 6589921 - Was 10H000015B - A

10

10H25

FITTING, GREASE 5 Use W/7127622 arm & 7127638 long arm

11

6652943

COVER grease fitting

12

6595222

PIN arm mounting

13

6665374

CHAIN

14

6539825

BUSHING, PRESS FIT Use W/NLA 6589921 arm (end of arm is 5.118'' wide) - 1-3/4'' (45mm) Long - 1.7726 O.D.

14

6803213

BUSHING, PRESS FIT Use W/Arm 7127622 & 7127628 (end of arm is 5.265'' wide)- 2.00'' (51mm) Long - 1.5785 O.D.

15

CYLINDER See Illustration BUCKET CYLINDER/ B14389 bucket

16

CYLINDER See Illustration ARM CYLINDER/ B14386 arm

17

6652915

SEAL, OIL Dust

18

6535313

SHIM

19

6803213

BUSHING, PRESS FIT

20

6803309

BUSHING, PRESS FIT

Выбрано товаров: 24