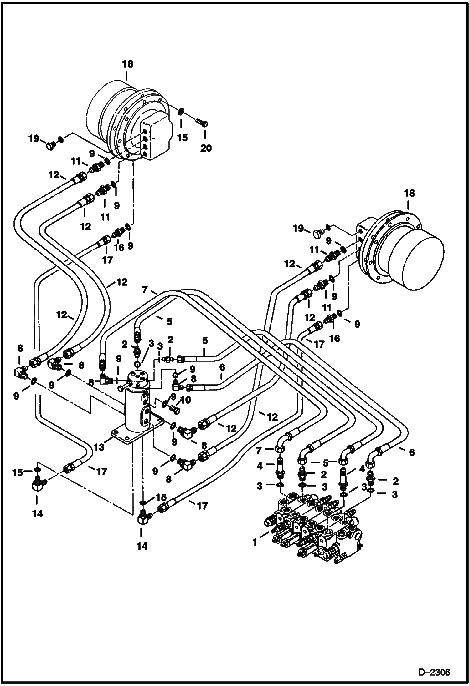
Запчасти Bobcat 325 HYDRAULIC CIRCUITRY (Valve to Swivel Joint to Travel Motor) HYDRAULIC SYSTEM

Схема запчастей Bobcat 325 - HYDRAULIC CIRCUITRY (Valve to Swivel Joint to Travel Motor) HYDRAULIC SYSTEM
FIT
1:1
100%

Артикул

Название

Примечание

Количество

1

6665003

VALVE See Illustration CONTROL VALVE ASSY./ D2266 control

2

15K6

ADAPTER W/Ref. 3

3

79K8

O RING 10

4

16K6

FITTING W/Ref. 3

5

6536783

HOSE

6

6588358

HOSE

7

6588357

HOSE

8

17K6

ELBOW W/Ref. 3

9

79K6

O RING 10

10

24K5

PLUG W/Ref. 9

11

6654894

ADAPTER W/Ref. 9

12

6800816

HOSE Was 6534008 - A

13

7123864

SWIVEL ASSY See Illustration SWIVEL JOINT/ PE3057 - Was 6800524 - A

14

17K5

ELBOW W/Ref. 9

15

6EM120

WASHER

16

6654377

ADAPTER

17

6534010

HOSE

18

MOTOR See Illustration TRAVEL MOTOR/ D1974 See BTIE-050 travel - Was 6652841 - A

19

6653021

PLUG

20

1CM1230

BOLT

Выбрано товаров: 0