Запчасти Bobcat 325 SWING MOTOR HYDRAULIC SYSTEM

Схема запчастей Bobcat 325 - SWING MOTOR HYDRAULIC SYSTEM
FIT
1:1
100%

Артикул

Название

Примечание

Количество

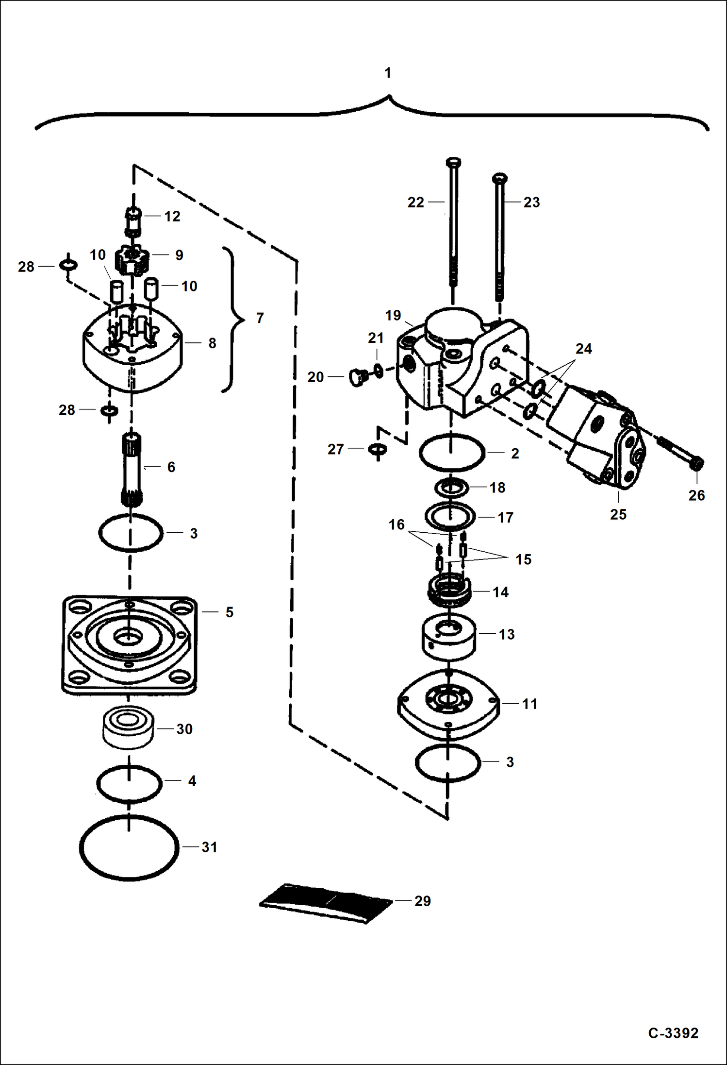
1

6666911

MOTOR Assy. - W/Ref. 2-26

2

58K44

O RING 10

3

6513524

O'RING Was NSS - D

4

6513799

SEAL

5

6513528

FLANGE

6

6659489

SHAFT

7

6667329

GEROLER Assy. - W/Ref. 8-10

8

RING NSS

9

CYLINDER See Illustration BUCKET CYLINDER/ B14389 bucket

9

STAR NSS

10

ROLLER NSS

11

6661809

PLATE Was 6658759 - A

12

6513518

DRIVE

13

6667330

VALVE

14

6658757

RING

15

1992102

PIN

16

6190121

SPRING

17

6513520

SEAL

18

6513529

SEAL Was NSS - D

19

6667331

HOUSING

20

1992104

PLUG W/Ref. 21

21

79K4

O RING 10

22

6659487

BOLT

23

6659488

BOLT

24

6658530

O-RING

25

6658529

VALVE See Illustration RELIEF VALVE/ C3202 assy

26

6656376

BOLT

27

25K20010

O RING 10

28

6667332

SEAL

29

6724499

SEAL KIT Include Refs. 2, 3, 4, 17, 18, 21, 24, 27 & 28

30

6513681

BEARING Order Separately - Not included W/Ref. 1

Выбрано товаров: 0