Запчасти Bobcat 325 CAB & MOUNTING MAIN FRAME

Схема запчастей Bobcat 325 - CAB & MOUNTING MAIN FRAME
FIT
1:1
100%

Артикул

Название

Примечание

Количество

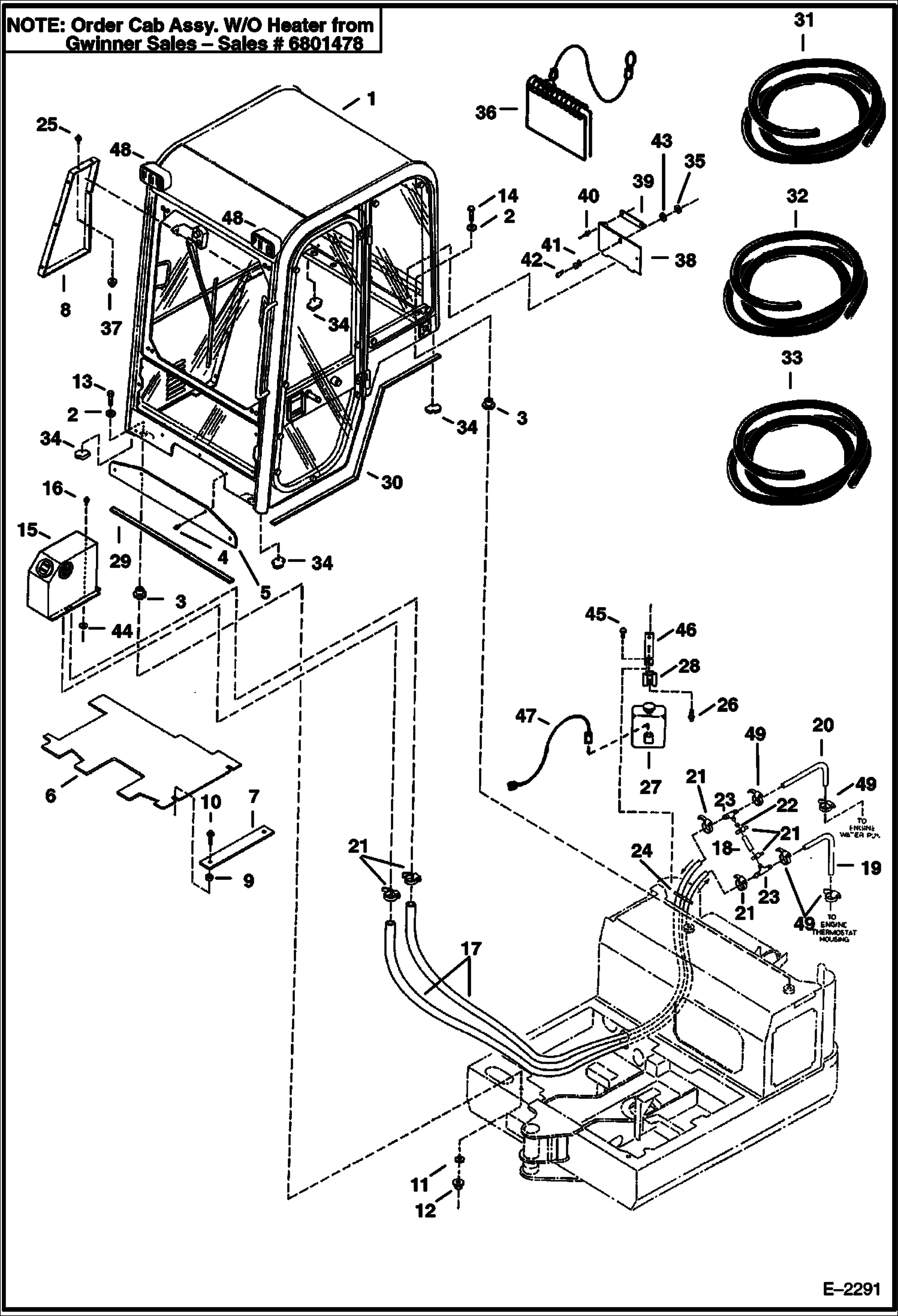
1

See Illustration OPERATOR CAB/ E2377 - SALES - order cab assy w/o heater from Gwinner Sales #6801478

2

6805244

WASHER Was 6597241 - A

3

6560633

DAMPENER

4

6589675

SCREW

5

6588651

PANEL

6

FLOORMAT NLA - Cab - Order 6800529 & modify to fit

6

6800529

FLOORMAT Cab

6

FLOORMAT NLA - Canopy - Order 6800528 & modify to fit

6

6800528

FLOORMAT Canopy

7

6588794

PLATE

8

6588891

PANEL Side Cover

9

6503451

SPACER

10

26GM10030

BOLT

11

6808506

WASHER Was 6588177 - A

12

43DM12

NUT

13

1CM1255

SCREW

14

7CM1250

BOLT

15

6665242

HEATER See Illustration HEATER/ C3340

16

26GM10020

BOLT

17

HOSE NLA - 84'' (2134mm) long - Order Ref. 32

18

HOSE NLA - 3'' (76mm) long - Order Ref. 32

19

HOSE NLA - 10'' (250mm) long - Order Ref. 33

20

HOSE NLA - 8'' (203mm) long - Order Ref. 33

21

5HM23

CLAMP

22

6585223

ORIFICE

23

6648485

TEE

24

6610510

TIE

25

29CM816

SCREW

26

29CM616

BOLT

27

WASHER NLA - kit - Order 6666767 nozzle, 6691499 tank assy, 6664557 bracket, & 5 feet of 6708310 bulk hose - Was 6664438 - A

27

6691499

TANK ASSY includes 6664554 pump

27

6664554

PUMP, WIPER WASHER

27

HOSE NLA - Order 5' of 6708310 bulk hose - Was 6664556 - A

27

6666767

NOZZLE Was 6664555 - A

28

6664557

BRACKET

29

FOAM NLA - 37'' (940mm) long - Order Ref. 31

30

FOAM NLA - 63'' (1600mm) long - Order Ref. 31

31

6801027

SEAL Bulk - Sold Per Foot

32

889269

HOSE BULK/FT Bulk - Sold Per Foot

33

6565977

HOSE Bulk - Sold Per Foot

34

6807987

INSULATION Was 6589660 - A

35

6675843

NUT

36

6900465

HANDBOOK Operators - English

37

43DM8

NUT

38

6589656

PANEL Storage - Cab Models

38

6589655

PANEL Storage - Canopy Models

39

6589657

ANGLE

40

6630207

RIVET 5

41

6674389

LOCK ASSY Was 6661695 - A

42

6587458

KEY

43

6536802

WASHER

44

17EM120

WASHER

45

26GM8016

SCREW

46

6589885

BRACKET Washer Tank Mounting

47

6595707

HARNESS Washer

48

6664106

LAMP Was 6668722 - A

48

6668721

BULB

49

5HM20

CLAMP

Выбрано товаров: 58