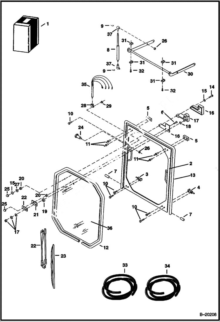
Запчасти Bobcat 325 OPERATOR CAB (Front Window) (S/N 514014100 & Above and 516611001 & Above) MAIN FRAME

Схема запчастей Bobcat 325 - OPERATOR CAB (Front Window) (S/N 514014100 & Above and 516611001 & Above) MAIN FRAME
FIT
1:1
100%

Артикул

Название

Примечание

Количество

1

WINDOW NLA - Incl. Refs. 1-6, 10-17, 19-23, 25, 27-29 & 35 - Order components - Was 6807874 - A

2

6800876

FRAME

3

6801502

LATCH RH

3

6628889

HANDLE

4

6801503

LATCH LH

4

6628889

HANDLE

5

6801420

CHANNEL

6

6801188

SCREW

7

6800873

ROLLER

8

6667199

GAS SPRING

9

6649245

RETAINER Ball Joint Retainer

10

6667196

BOLT 5/8'' long

11

6630207

RIVET 5

12

SEAL NLA - 119'' (3018mm) long - Order Ref. 33

13

SEAL NLA - 180'' (4572mm) long - Order Ref. 34

14

6664566

BOLT

15

6664065

WASHER

16

6664177

COVER Wiper Motor

17

6668137

MOTOR, WIPER single speed

18

25K30020

O-RING 10 Wiper Motor Shaft - Was 6664098 - A

19

6667201

SPACER

20

6664085

BUSHING

21

6664178

GASKET

22

6664095

ARM, WIPER W/pivot mount

23

6664096

BLADE, WIPER WINDOW

24

6800857

BOLT

25

6664103

NUT

26

6648364

NUT

27

6801059

WASHER

28

30H21

CLAMP 10

29

6669138

NUT

30

6803154

LINKAGE

31

6664560

BLOCK Linkage Mount

32

6664059

BOLT

33

6514301

SEAL Bulk - Sold Per Foot

34

6675410

SEAL Bulk - Sold Per Foot - Was 6670759 - A

35

6669142

HARNESS Wiper

35

6669141

HARNESS Cab

36

6667195

GLASS

37

6649244

BALL STUD

Выбрано товаров: 40