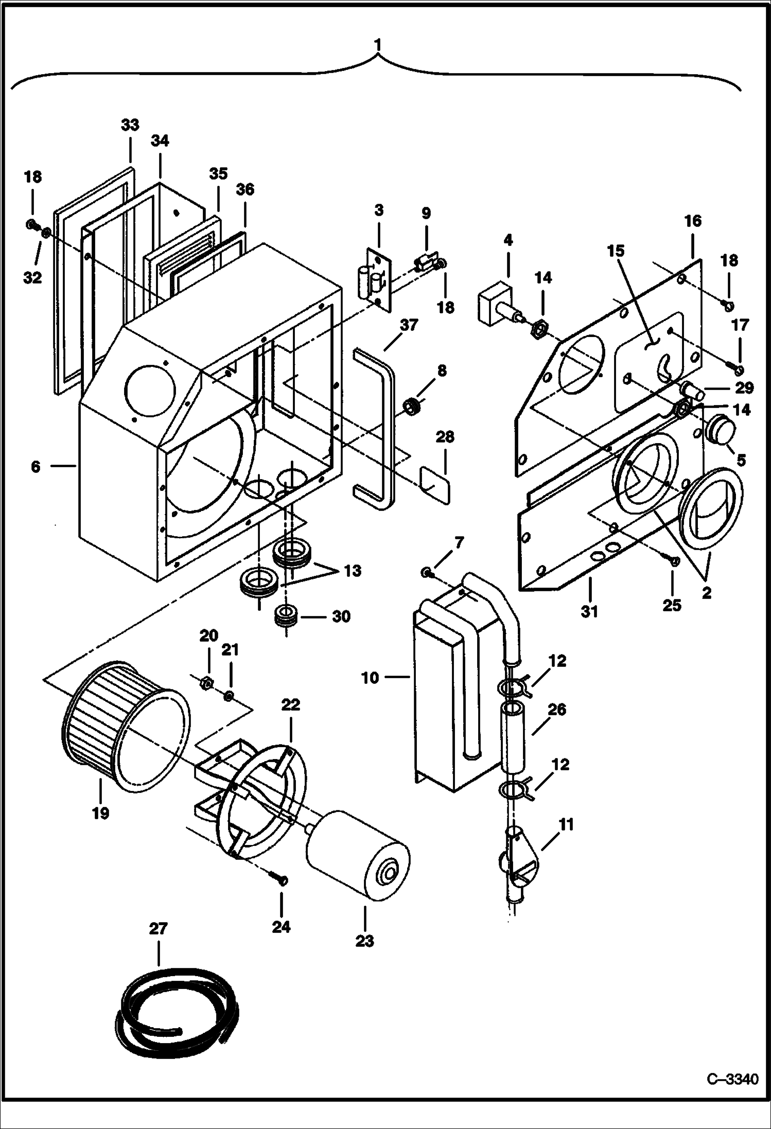
Запчасти Bobcat 325 HEATER (With 3 Speed Fan Motor & With Filter) (S/N 514013001-514014899) MAIN FRAME

Схема запчастей Bobcat 325 - HEATER (With 3 Speed Fan Motor & With Filter) (S/N 514013001-514014899) MAIN FRAME
FIT
1:1
100%

Артикул

Название

Примечание

Количество

1

6665242

HEATER W/Ref. 2-26 & 28-31

2

6664342

LOUVER

3

6632584

RESISTOR

4

6660659

SWITCH Fan

5

6660822

KNOB Fan Switch

6

6665516

HOUSING Heater

7

BOLT NLA - purchase locally - Was 6665518 - A

8

6654196

GROMMET

9

6660654

CONNECTOR

10

6654790

CORE Heater

11

6654792

VALVE Water Shut Off

12

6654192

CLAMP

13

6641056

GROMMET

14

6624435

NUT

15

6664343

DECAL

16

6664346

COVER Top

17

85G808

SCREW

18

6641066

SCREW

19

6648468

FAN

20

6641073

NUT

21

6641072

WASHER

22

6648467

MOUNT

23

6660658

MOTOR 12 volt-3 speed

24

6641062

SCREW

25

6662678

SCREW

26

HOSE NLA - 4'' long (102mm) - Order Ref. 27

27

889269

HOSE BULK/FT Bulk - Sold Per Foot

28

6660656

DECAL Wiring

29

6660881

KNOB Water Valve

30

6664344

GROMMET

31

6665519

COVER Bottom

32

12E10

WASHER

33

6665512

SEAL

34

6665513

PLATE

35

6665514

FILTER

36

6665515

SEAL

37

6665517

SEAL

Выбрано товаров: 37