Качественные детали и логистика
Оригинальные и аналоговые запчасти с доставкой по России, Казахстану и Беларуси
©2022 PartSell ООО "Система" ИНН 2463123282 ОГРН 1212400004838
Центральный офис: г. Красноярск, Академика Киренского, д.87, пом.4
Телефон: 8 (800) 777-65-74 Email: zakaz@partsell.ru
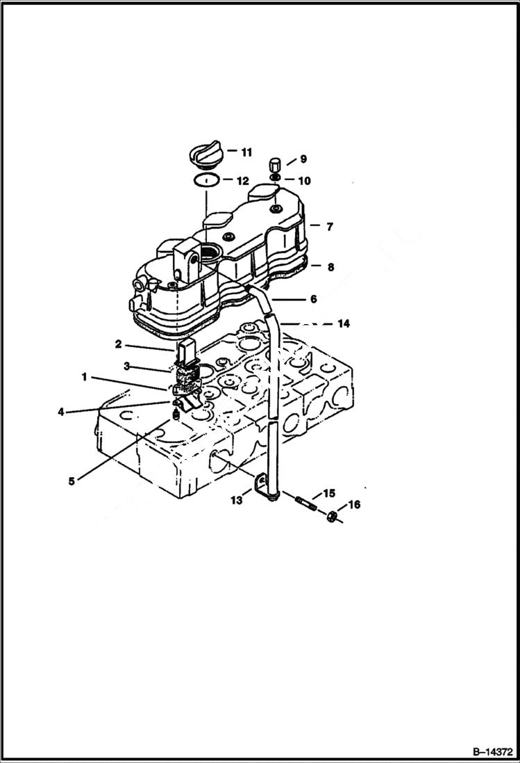
ROCKER ARM COVER (Tier I engine)
№
Артикул
Название
Примечание
Количество
1
3974924
PLATE Element
2
3974925
3
3974926
BREATHER Breather
4
6653822
SHIELD Breather
5
6667426
SCREW W/Washer
6
6652624
JOINT Breather pipe
7
3975372
COVER Valve
8
6598709
GASKET
9
3974923
NUT Cap - Was 6653835 - A
10
3974095
MET-GASK
11
6685924
CAP oil filler - Was 6652653 - A
12
3966602
O RING oil fill plug
13
3974931
CLAMP Pipe - Was 6653823 - A
14
3974930
PIPE Breather
15
6652670
STUD See Illustration MANIFOLDS/ B14379
16
6652792
NUT See Illustration MANIFOLDS/ B14379
Выбрано товаров: 0