Запчасти Bobcat 325 LOWER GASKET KIT (Kubota - D1703-E2B - Tier II) REPLACEMENT ENGINE

Схема запчастей Bobcat 325 - LOWER GASKET KIT (Kubota - D1703-E2B - Tier II) REPLACEMENT ENGINE
FIT
1:1
100%

Артикул

Название

Примечание

Количество

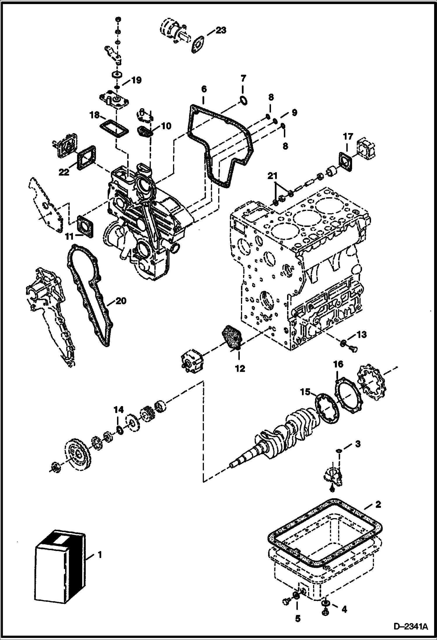
1

6668930

GASKET KIT lower

2

6666786

GASKET See Illustration OIL PAN/ B22878 oil pan

3

3966516

O RING See Illustration OIL PAN/ B22878 oil pick-up

4

6680484

GASKET See Illustration OIL PAN/ B22878 Was 3974403 - B

5

3975317

GASKET See Illustration OIL PAN/ B22878 drain plug

6

6666800

GASKET See Illustration GEARCASE/ B14375A gear case

7

3966530

O RING See Illustration GEARCASE/ B14375A

8

3966515

O RING See Illustration GEARCASE/ B14375A

9

6655162

O-RING See Illustration GEARCASE/ B14375A

10

6666803

GASKET See Illustration GEARCASE/ B14375A water return flange

11

6714543

GASKET See Illustration GEARCASE/ B14375A

12

6666782

GASKET See Illustration CRANKCASE/ B24695 oil pump

13

3974095

MET-GASK See Illustration CRANKCASE/ B24695

14

3974577

O RING See Illustration PISTON & CRANKSHAFT/ B14377A - crankshaft frt

15

6684788

GASKET See Illustration PISTON & CRANKSHAFT/ B14377A Was 6655165 - A

16

6666814

GASKET See Illustration PISTON & CRANKSHAFT/ B14377A

17

6666827

GASKET See Illustration FUEL CAMSHAFT/ B14378A

18

6666792

GASKET See Illustration SPEED CONTROL PLATE/ B24697

19

3966512

O RING See Illustration SPEED CONTROL PLATE/ B24697

20

6666804

GASKET See Illustration WATER PUMP/ B24690

21

3974095

MET-GASK See Illustration ENGINE STOP LEVER/ B13139

22

6666783

GASKET See Illustration ENGINE STOP LEVER/ B13139

23

3974502

GASKET See Illustration INJECTION PUMP/ B22886 fuel pump

Выбрано товаров: 0