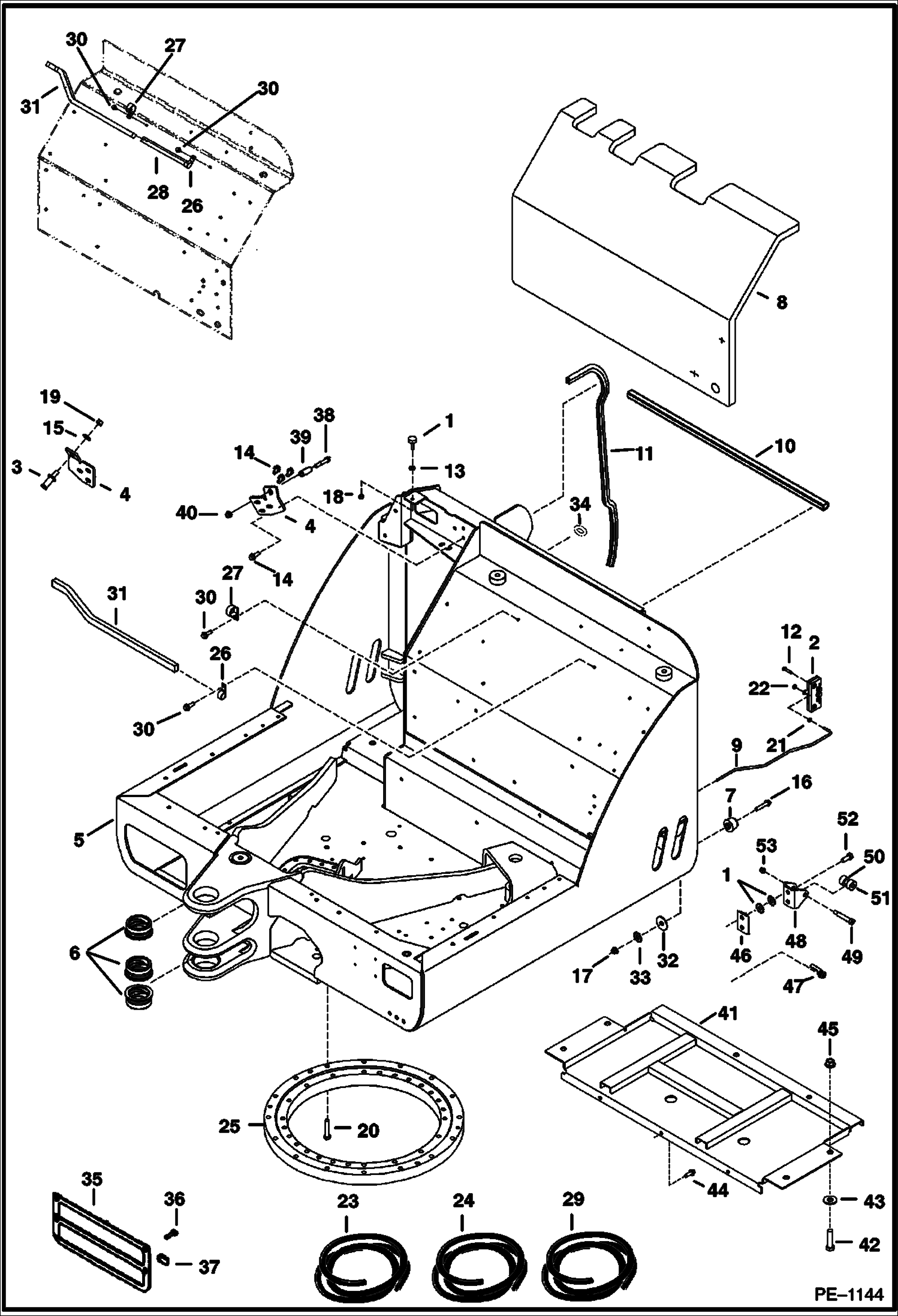
Запчасти Bobcat 325 UPPERSTRUCTURE MAIN FRAME

Схема запчастей Bobcat 325 - UPPERSTRUCTURE MAIN FRAME
FIT
1:1
100%

Артикул

Название

Примечание

Количество

1

6655399

BUMPER

2

6675687

LATCH tailgate

3

6676341

STRIKER assy.

4

MOUNT NLA - latch - Order 6810655 & Ref. 38-40 - Was 6807180 - A

4

6810655

MOUNT latch

4

6810655

MOUNT

5

UPPERSTRUCTURE NLA - Order 6810128 , Ref. 46 - 53 and all parts on Ill. PE1405 - Was 6807950 - A

5

6810128

UPPERSTRUCTURE

5

6808306

HINGE PLATE weld on

6

6807956

BUSHING

7

6808365

BUMPER

8

6808390

INSULATION

9

6808472

ROD tailgate release

10

SEAL NLA - use 35'' of Ref. 23

11

SEAL NLA - use 38'' of Ref. 24

12

1CM630

BOLT

13

25E15

WASHER

13

25E15

WASHER

14

26GM10020

BOLT Was 26GM10030B - B

15

27E6

WASHER 5

16

29CM1050

BOLT

17

51DM10

NUT

18

61D5

NUT

19

61D7

NUT

20

55CM1260

SCREW Was 7CM01260B - B

21

7D4

NUT

21

7D4

NUT

22

85D4

NUT 5

22

85D4

NUT 5

23

6675410

SEAL bulk - sold per foot

24

6676396

SEAL bulk - sold per foot - Was 6513152 - A

25

6655124

BEARING

26

30HJ512

CLAMP X-Change release bar holder

27

30H57

CLAMP X-Change release bar holder

28

INSULATION NLA - use 9.1'' of Ref. 29

29

7001454

SEAL, BULK/FT bulk - sold per foot - Was 6803188 - A

30

26GM8016

SCREW

31

6807074

LEVER X-Change release

32

6560899

WASHER

33

6675273

WASHER

34

6810133

GROMMET

35

6810578

LOUVER After Feb 8, 2001

36

6809030

SCREW

37

6676026

NUT clip

38

17C640

BOLT 5

38

17C640

BOLT 5

39

6719550

TUBE

39

6719550

TUBE

40

55D6

NUT

40

55D6

NUT

41

6809064

PLATE counterweight

42

1CM1630

BOLT Was 1CM01665B - B

43

25E26

WASHER

44

26GM10030

BOLT

45

51DM16

NUT

46

6810802

BAR bar

46

6810802

BAR

47

6678025

LOCK W/O key - Ignition key 6693241

47

6678025

LOCK W/O key - Ignition key 6693241

47

KEY NLA - includes two keys W/ring - Order 6693241 - Was 6709527 - A

47

6693241

KEY 10 ignition - single key W/O ring

48

6809727

CHANNEL

48

6809727

CHANNEL

49

38C840

BOLT

49

38C840

BOLT

50

6809726

ROLLER

50

6809726

ROLLER

51

6809734

BUSHING

51

6809734

BUSHING

52

17C820

BOLT

52

17C820

BOLT

53

59D6

NUT

53

59D6

NUT

Выбрано товаров: 73