Запчасти Bobcat 325 MANIFOLD ASSY (S/N 232311950 & Below and 232411763 & Below) HYDRAULIC SYSTEM

Схема запчастей Bobcat 325 - MANIFOLD ASSY (S/N 232311950 & Below and 232411763 & Below) HYDRAULIC SYSTEM
FIT
1:1
100%

Артикул

Название

Примечание

Количество

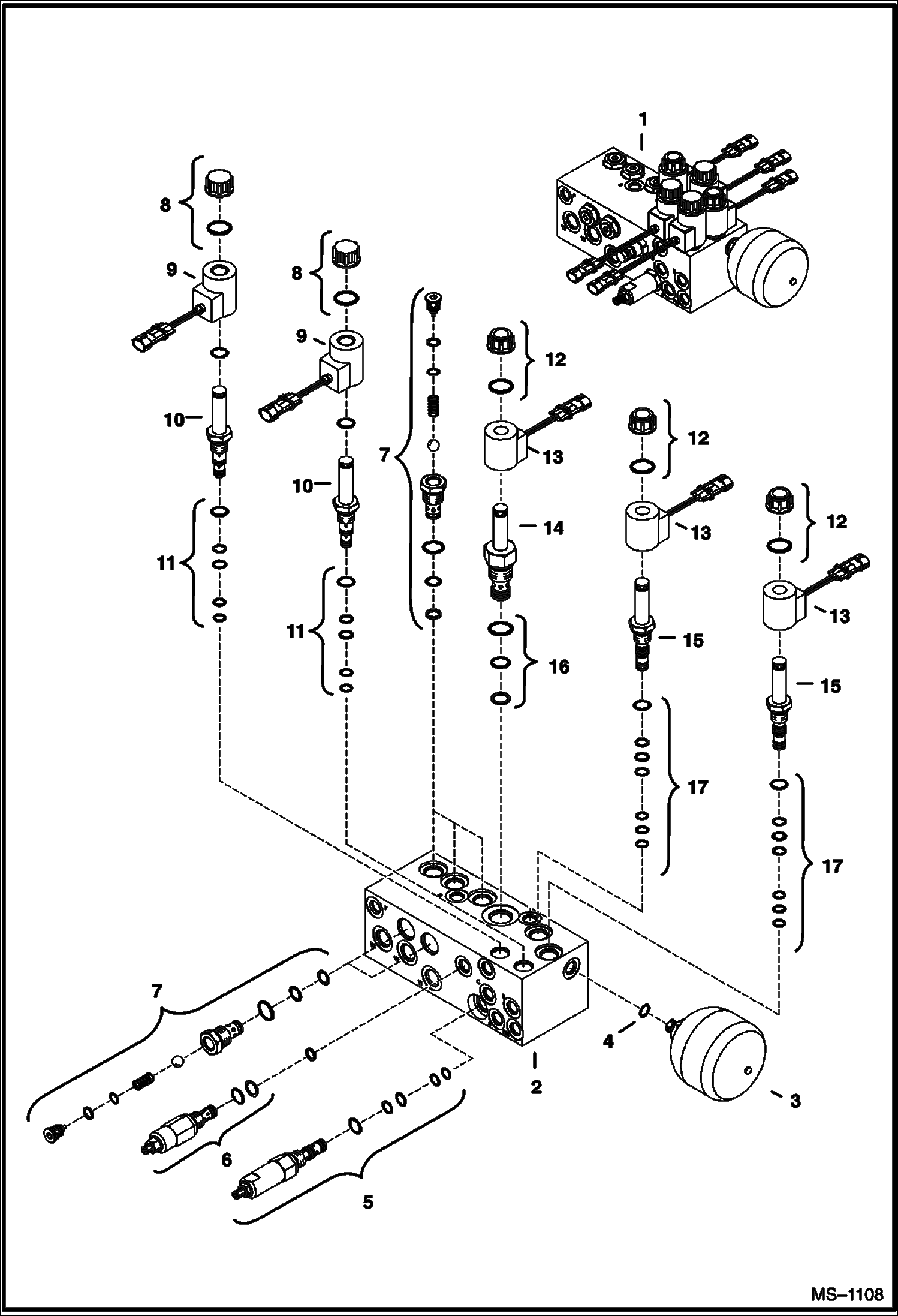
1

6676962

MANIFOLD assy

2

BLOCK NSS - order Ref. 1

3

6675349

ACCUMULATOR

4

6675354

O-RING

5

6675350

VALVE pressure reducing

5

6676043

SEAL KIT

6

6677634

VALVE relief

6

6677643

SEAL KIT

7

6677480

VALVE check

7

6677484

SEAL KIT

8

6676042

NUT W/O-Ring

9

6676041

COIL

10

6676040

VALVE W/Ref.11

11

6676043

SEAL KIT

12

6675359

NUT W/O-Ring

13

6675351

COIL

14

6677481

VALVE W/Ref. 16

15

6675352

SOLENOID W/Ref. 17

16

6677483

SEAL KIT

17

6675353

SEAL KIT

Выбрано товаров: 20