Запчасти Bobcat 325 CAB MOUNTING MAIN FRAME

Схема запчастей Bobcat 325 - CAB MOUNTING MAIN FRAME
FIT
1:1
100%

Артикул

Название

Примечание

Количество

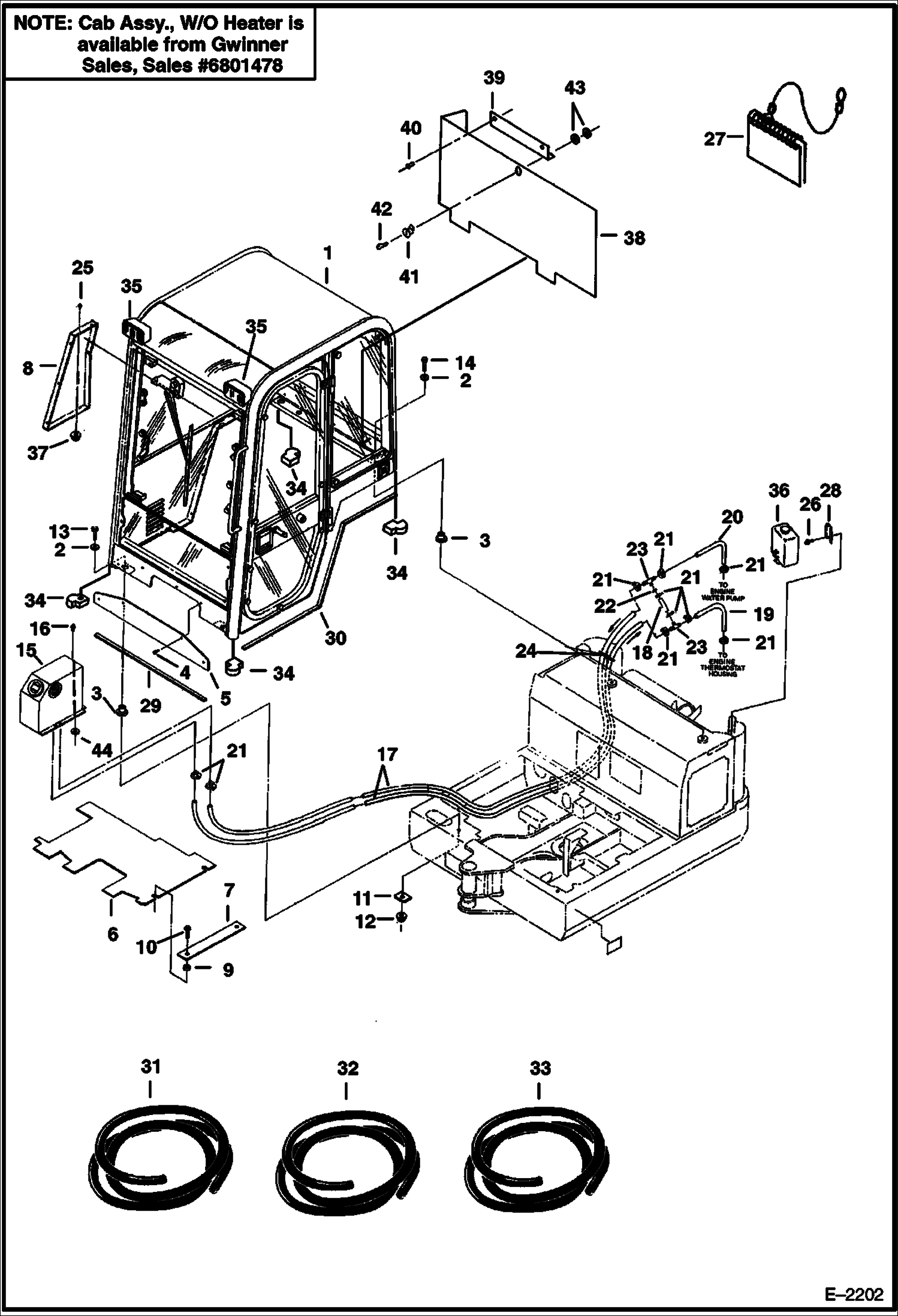
1

See Illustration HEATER/ C3340 - SALES - SEE NOTE

2

6805244

WASHER Was 6597241 - A

3

6560633

DAMPENER

4

6587499

SCREW

5

6588651

PANEL

6

6588711

FLOORMAT Cab

6

6589892

FLOORMAT Cab

6

6588619

FLOORMAT Canopy

7

6588794

PLATE

8

6588891

PANEL Side Cover - Also Order (5) Ref. 37 - Was 6588890 - A

9

6503451

SPACER

10

26GM10030

BOLT Was 29CM01030B - B

11

6588177

PLATE

12

49DM12

NUT

13

1CM1255

SCREW Was 7CM01255B - A

14

7CM1250

BOLT

15

6663968

HEATER See Illustration HEATER/ B20166 See Illustration HEATER/ C3340

16

26GM10020

BOLT Was 29CM01016B - B

17

HOSE NLA - 84'' (2134 mm) long - Order Ref. 32

18

HOSE NLA - 3'' (76mm) long - Order Ref. 32

19

HOSE NLA - 10'' (250 mm) long - Order Ref. 33

20

HOSE NLA - 8'' (203mm) long - Order Ref. 33

21

42H8

HOSE CLAMP 5

22

6585223

ORIFICE

23

6648485

TEE Was 6564697 - A

24

6610510

TIE

25

29CM816

SCREW

26

29CM616

BOLT

27

6596919

HANDBOOK Operators - English

27

6596920

HANDBOOK Operators - Danish

27

6596921

HANDBOOK Operators - French

27

6596922

HANDBOOK Operators - German

27

6596924

HANDBOOK Operators - Italian

27

6596925

HANDBOOK Operators - Spanish

27

6596926

HANDBOOK Operators - Portuguese

27

6596927

HANDBOOK Operators - Dutch - Was 6596027 - D

27

6596928

HANDBOOK Operators - Japanese

27

6596929

HANDBOOK Operators - Norwegian

27

6596930

HANDBOOK Operators - Russian

27

6596931

HANDBOOK Operators - Swedish

27

6596932

HANDBOOK Operators - Finnish

27

6596933

HANDBOOK Operators - Greek

28

6664557

BRACKET

29

FOAM NLA - 37'' (940 mm) long - Order Ref. 31

30

FOAM NLA - 63'' (1600 mm) long - Order Ref. 31

31

6801027

SEAL Bulk - Sold Per Foot - Was 6511855 - A

32

889269

HOSE BULK/FT Bulk - Sold Per Foot

33

6565977

HOSE Bulk - Sold Per Foot

34

6807987

INSULATION Was 6589660 - A

35

LIGHT NLA - Order 6664106 - Was 6664106 - A

35

6665700

SEALED BEAM For light 6664106

35

6664106

LAMP Was 6668722 - A

35

6667934

BULB for 6664106

35

6668721

BULB Replacement bulb for 6668722

36

WASHER NLA - kit - Order 6666767 nozzle, 6691499 tank assy, 6664557 bracket, & 5 feet of 6708310 bulk hose - Was 6664438 - A

36

6691499

TANK ASSY includes 6664554 pump

36

6664554

PUMP, WIPER WASHER

36

HOSE NLA - Order 5' of 6708310 bulk hose - Was 6664556 - A

36

6666767

NOZZLE Was 6664555 - A

37

42DM8

NUT

38

6589656

PANEL Storage - Cab Models

38

6589655

PANEL Storage - Canopy Models

39

6589657

ANGLE

40

6630207

RIVET 5

41

6674389

LOCK ASSY - Was 6661695 - A

42

6587458

KEY

43

6536802

WASHER

44

17EM120

WASHER

Выбрано товаров: 0