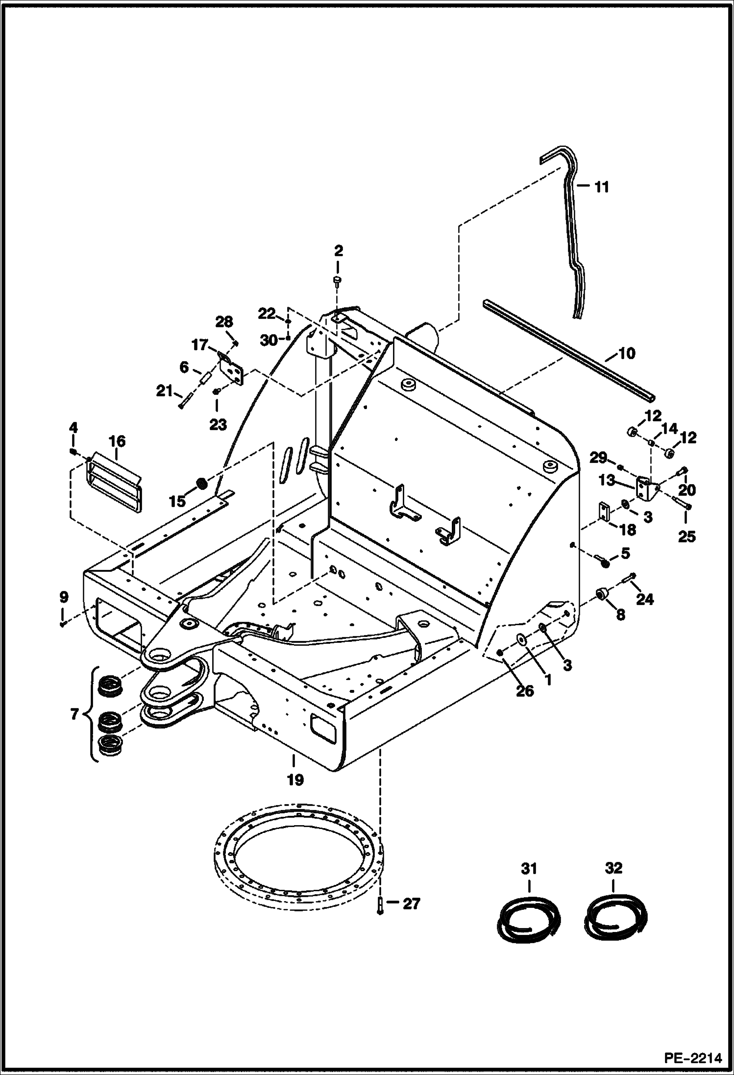
Запчасти Bobcat 325 UPPERSTRUCTURE MAIN FRAME

Схема запчастей Bobcat 325 - UPPERSTRUCTURE MAIN FRAME
FIT
1:1
100%

Артикул

Название

Примечание

Количество

1

6560899

WASHER

2

6655399

BUMPER

3

6675273

WASHER lock

4

6676026

NUT clip

5

6678025

LOCK W/O key - Ignition key 6693241

6

6719550

TUBE striker

7

6807956

BUSHING

8

6808365

BUMPER

9

6809030

SCREW

10

SEAL NLA - 35''(889mm) long - Order Ref 31

11

SEAL NLA - 38'' (966 mm) long - Order Ref 32

12

6809726

ROLLER

13

6809727

CHANNEL

14

6809734

BUSHING

15

6810133

GROMMET

16

6810578

LOUVER

17

6810655

MOUNT

18

6810802

BAR

19

7130869

UPPERSTRUCTURE Was 6816953 - A

20

17C820

BOLT

21

17C640

BOLT 5

22

25E15

WASHER

23

26GM10020

BOLT

24

29CM1050

BOLT

25

38C840

BOLT

26

51DM10

NUT

27

55CM1260

SCREW

28

55D6

NUT

29

59D6

NUT

30

61D5

NUT

31

6675410

SEAL bulk - sold per foot

32

6676396

SEAL bulk - sold per foot

Выбрано товаров: 32