Качественные детали и логистика
Оригинальные и аналоговые запчасти с доставкой по России, Казахстану и Беларуси
©2022 PartSell ООО "Система" ИНН 2463123282 ОГРН 1212400004838
Центральный офис: г. Красноярск, Академика Киренского, д.87, пом.4
Телефон: 8 (800) 777-65-74 Email: zakaz@partsell.ru
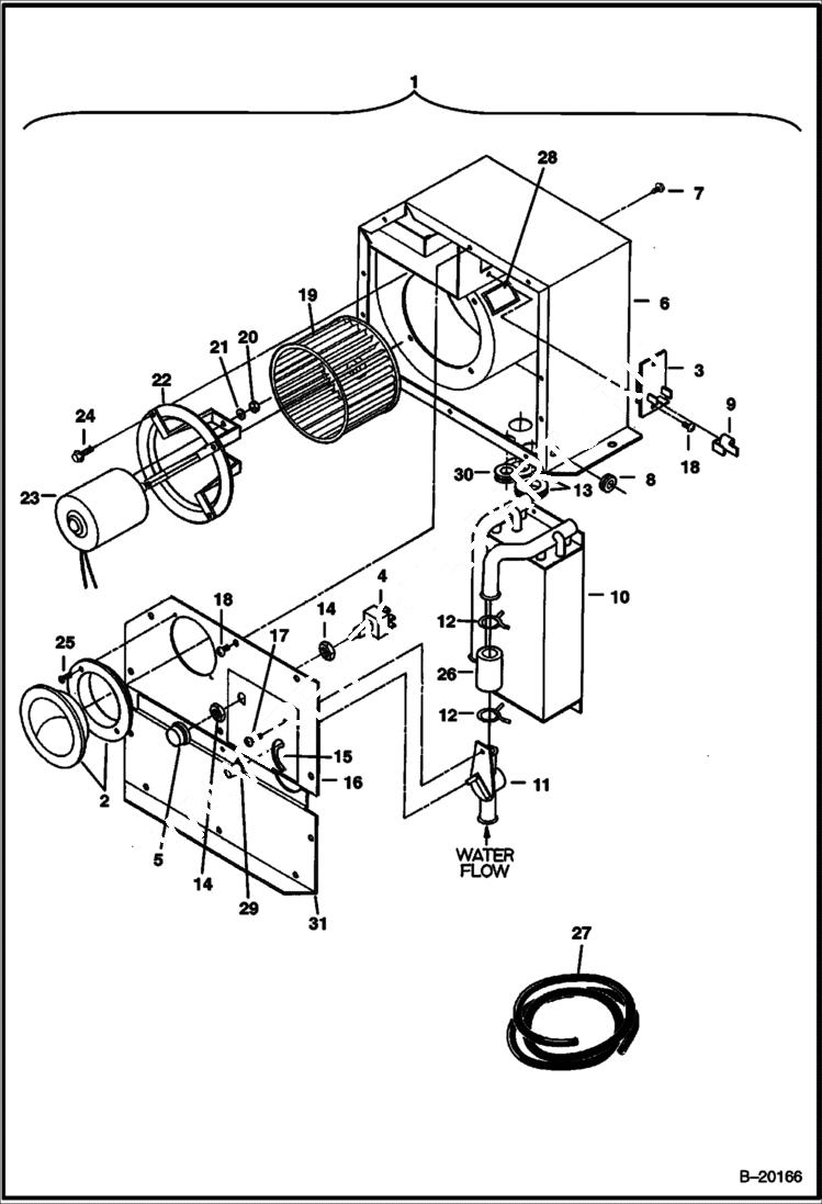
HEATER (With 3 Speed Fan Motor) (S/N 511820001-511820393)
№
Артикул
Название
Примечание
Количество
1
6663968
HEATER W/Refs. 2-26 & 28-31
2
6664342
LOUVER
3
6632584
RESISTOR
4
6660659
SWITCH Fan
5
6660822
KNOB Fan Switch
6
6664345
HOUSING Heater
7
6654195
BOLT
8
6654196
GROMMET
9
6660654
CONNECTOR
10
6654790
CORE Heater
11
6654792
VALVE Water Shut Off
12
6654192
CLAMP
13
6641056
14
6624435
NUT
15
6664343
DECAL
16
6664346
COVER Top
17
85G808
SCREW
18
6641066
19
6648468
FAN
20
6641073
21
6641072
WASHER
22
6648467
MOUNT
23
6660658
MOTOR 12 volt-3 Speed
24
6641062
SCREW Was 6640162 - D
25
6662678
26
HOSE NLA - 4'' long (102mm) - Order Ref. 27
27
889269
HOSE BULK/FT Bulk - Sold Per Foot
28
6660656
DECAL Wiring
29
6660881
KNOB Water Valve
30
6664344
31
6664347
COVER Bottom
Выбрано товаров: 0