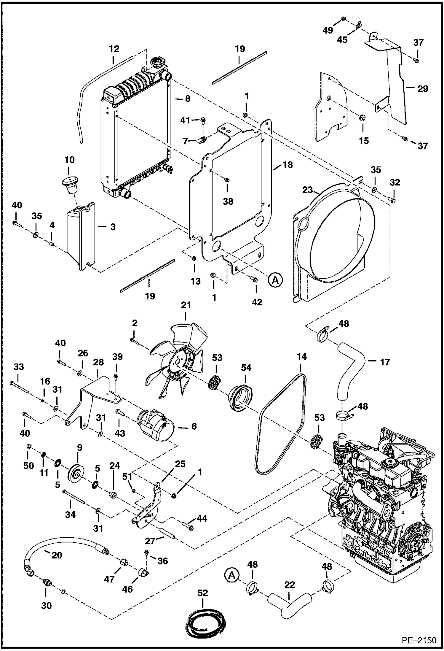
Запчасти Bobcat 325 ENGINE & ATTACHING PARTS (Radiator Water Exchanger) POWER UNIT

Схема запчастей Bobcat 325 - ENGINE & ATTACHING PARTS (Radiator Water Exchanger) POWER UNIT
FIT
1:1
100%

Артикул

Название

Примечание

Количество

1

51DM10

NUT

2

60CM640

SCREW

3

6593012

TANK

4

6593013

SPACER

5

6660995

GREASE RING

6

ALTERNATOR, 40 AMP See Illustration ALTERNATOR/ C3456

7

6675722

NUT

8

6684389

EXCHANGER

8

6646678

CAP radiator Was 6673313 - A

9

6685136

PULLEY

10

6702797

CAP

11

6704444

WASHER

12

HOSE NLA - Order 30'' (76.2 mm) of 6577822 bulk hose - Was 6709750 - D

13

6719828

BOLT

14

6725905

BELT cooling fan drive - 46'' (1168 mm)

15

6800788

GROMMET

16

6807220

SPACER

17

6808842

HOSE

18

6808844

PLATE

19

SEAL NLA - Order 13'' (33,02 mm) of Ref. 52 - Was 6809471 - D

20

6811407

HOSE

21

6680464

FAN

22

6816553

HOSE radiator

23

6816905

SHROUD fan

24

6817028

SPACER

25

6818363

BRACKET

26

6818364

SPACER

27

6818365

SPACER

28

6818367

BRACKET

29

7100658

GUARD fan

30

15KB0808

FITTING, HYD CONNECTOR

31

17EM80

WASHER

32

1CM1025

BOLT

33

1CM8100

SCREW

34

1CM8120

SCREW

35

25E18

WASHER

36

26GM8016

SCREW

37

26GM8020

SCREW

38

29CM812

BOLT

39

29CM820

SCREW

40

29CM825

BOLT

41

29CM1020

BOLT

42

29CM1025

BOLT

43

29CM1035

SCREW

44

29CM1050

BOLT

45

30H23

CLAMP

46

30H57

CLAMP

47

36K6

CAP

48

5HM44

CLAMP Was 5HM42 - B

49

43DM8

NUT

50

43DM10

NUT

51

51DM8

NUT NLA - Was 41DM00006B - D

52

6648416

SEAL BULK /FT bulk - sold per foot

53

6683158

COLLAR fan

54

6672747

PULLEY fan - Was 6684226 - A

Выбрано товаров: 55