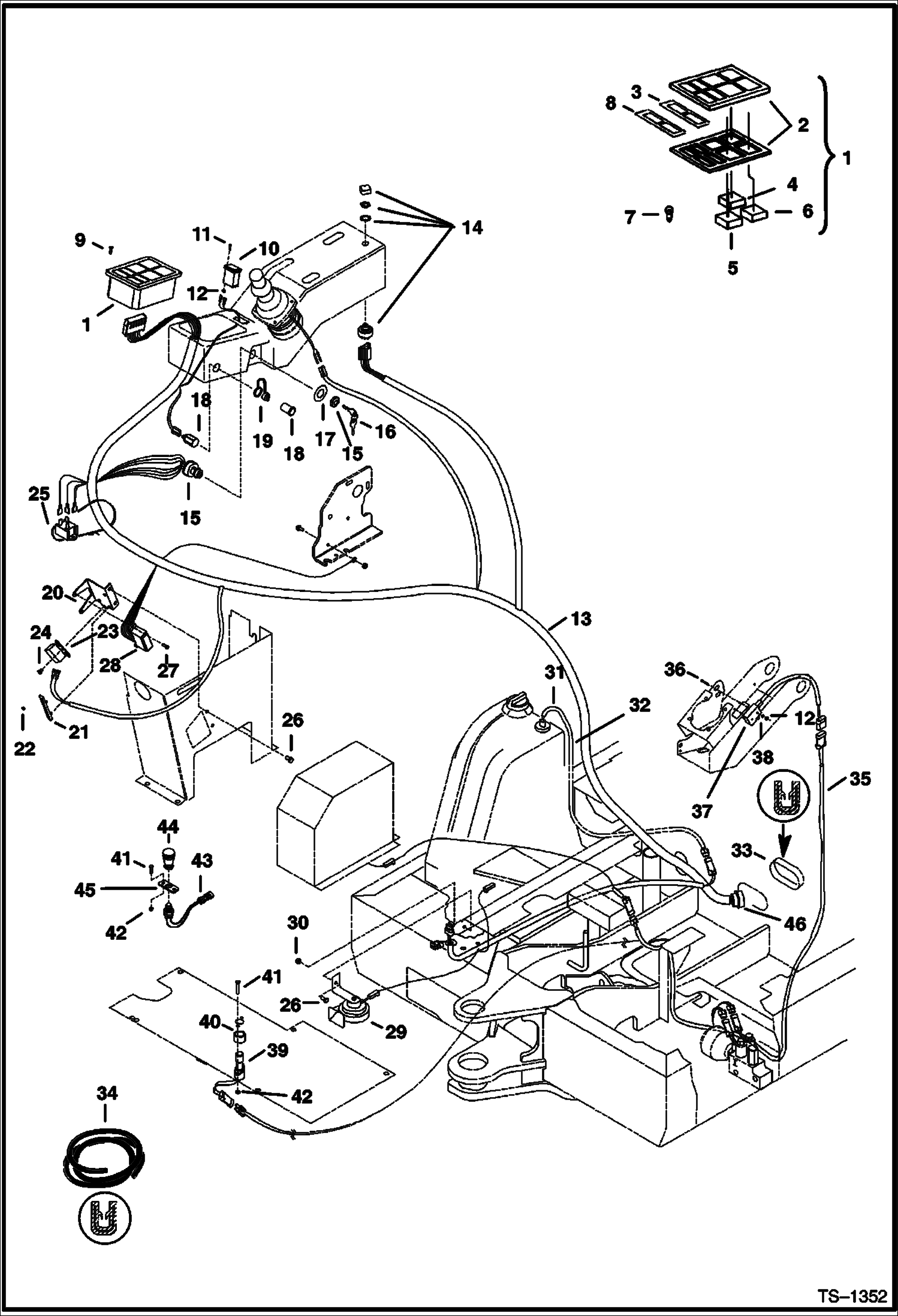
Запчасти Bobcat 328 ELECTRICAL SYSTEMS (Console) (S/N 514013001-514014899) ELECTRICAL SYSTEM

Схема запчастей Bobcat 328 - ELECTRICAL SYSTEMS (Console) (S/N 514013001-514014899) ELECTRICAL SYSTEM
FIT
1:1
100%

Артикул

Название

Примечание

Количество

1

6664268

PANEL Dash - W/Refs. 2-8

2

6664022

COVER Lens - W/gasket

3

LENS NLA - warning lights - Was 6661205 - A

4

6664269

FUEL GAUGE

5

6661201

VOLTMETER

6

6661203

TEMP. GAUGE Coolant

7

6665127

BULB Warning lamp and back light-#194

8

6661204

LENS Warning lights - oil pressure & glow plugs

9

23GM520

BOLT

10

6664886

HOURMETER

11

87G610

SCREW

12

12D6

NUT 10

13

6597566

HARNESS Console

13

3675725

DIODE

14

6512808

SWITCH Light

15

6666548

SWITCH Ignition

16

6587458

KEY Key code PK510

17

6596218

PLATE Ignition switch

18

6664223

OUTLET Electrical accessory

19

6664224

CAP Electrical outlet

20

6537536

BRACKET

21

6649124

HOLDER Spare fuse

22

6654805

FUSE 10A Was 6961388 - A

22

6654806

FUSE, 15A

22

6625575

FUSE, 20A

23

6644960

BUZZER Warning - activates w/water Temp. & oil pressure lights

24

29CM616

BOLT

25

6673122

TIMER start-up check, fuel level, oil pressure & water temperature - Was 6668736 - A

26

1CM816

BOLT

27

1CM516

BOLT

28

6645835

BLOCK Fuse - Incl. W/Ref. 13

29

6665105

ALARM

30

43DM8

NUT

31

6588351

HARNESS Fuel sendor

32

6664445

SENDER - Fuel Level

32

79K14

O RING 10

33

MOULDING NLA - 12'' (306mm) long - Order Ref. 34

34

6654139

MOULDING bulk - sold per foot

35

6596880

HARNESS L.H. Console

36

85G616

SCREW 10

37

6661150

SWITCH, ROLLER MICRO console lockout

38

12E6

WASHER

39

See Illustration TWO SPEED SWITCH KIT/ B17164 NLA - Two Speed - Order kit 6805734 - Was 6667705 - A

40

6628806

SPACER

41

1CM625

BOLT

42

53DM6

NUT

43

6673973

SWITCH Two Speed

44

6673974

ACTUATOR

45

6804965

BRACKET Use in Kit 6805734 only

46

6664972

NUT harness, bulkhead

Выбрано товаров: 50