Качественные детали и логистика
Оригинальные и аналоговые запчасти с доставкой по России, Казахстану и Беларуси
©2022 PartSell ООО "Система" ИНН 2463123282 ОГРН 1212400004838
Центральный офис: г. Красноярск, Академика Киренского, д.87, пом.4
Телефон: 8 (800) 777-65-74 Email: zakaz@partsell.ru
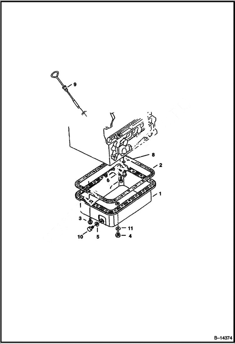
OIL PAN (Tier I engine)
№
Артикул
Название
Примечание
Количество
1
6667378
OIL PAN
2
6666786
GASKET Oil pan
3
6653798
BOLT
4
3974402
PLUG Drain
5
3975317
GASKET
6
6653876
OIL FILTER
7
6667420
8
3966516
O RING
9
6674178
DIPSTICK, OIL ENG Was 6655196 - A
10
6640733
11
6680484
GASKET Was 3974403 - B
Выбрано товаров: 0