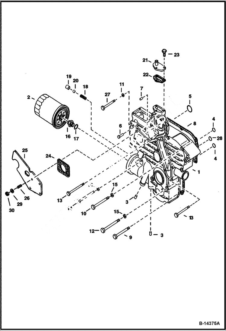
Запчасти Bobcat 328 GEARCASE (Kubota - D1703-E2B - Tier II) REPLACEMENT ENGINE

Схема запчастей Bobcat 328 - GEARCASE (Kubota - D1703-E2B - Tier II) REPLACEMENT ENGINE
FIT
1:1
100%

Артикул

Название

Примечание

Количество

1

CASE ASSY. NLA - W/Ref. 3-7 & 28 - Order 6688640 & Ref. 4-7 & 28 - Was 6655479 - A

1

6688640

GEAR HOUSING W/Ref. 3

2

6675517

FILTER, OIL ENG 12 Was 3974896B - A

3

6667425

PLUG Pin

4

3966515

O RING

5

3966530

O RING

6

6652592

PIN Start spring

7

3974395

PIN Straight

8

6666800

GASKET Gearcase

9

3974888

BOLT

9

7001903

BOLT flange

10

1CM870

BOLT

10

6692375

BOLT flange

11

1EM80

WASHER Was 2EM8 - A

12

1CM880

BOLT

12

7001904

BOLT flange

13

6653808

BOLT

13

6692377

BOLT flange

14

1CM895

BOLT

14

7001905

BOLT flange

15

6667422

WASHER

16

6653809

CONNECTOR

17

15EM180

WASHER

18

6652652

SPRING

19

3974893

SEAT Valve

20

10J13

BALL

21

3974894

FLANGE Water return

22

6666803

GASKET Water return flange

23

1CM620

BOLT Was 4CM620 - A

24

6714543

GASKET

25

6588966

BRACKET Shut of solenoid - not supplied with engine

26

6652764

STUD

27

6653807

BOLT

27

6680686

BOLT flange

28

6655162

O-RING

29

6EM60

WASHER, SPRING

30

1DM6

NUT

Выбрано товаров: 37