Запчасти Bobcat 328 DECALS (S/N 514014900 & Above and 516611001 & Above) ACCESSORIES & OPTIONS

Схема запчастей Bobcat 328 - DECALS (S/N 514014900 & Above and 516611001 & Above) ACCESSORIES & OPTIONS
FIT
1:1
100%

Артикул

Название

Примечание

Количество

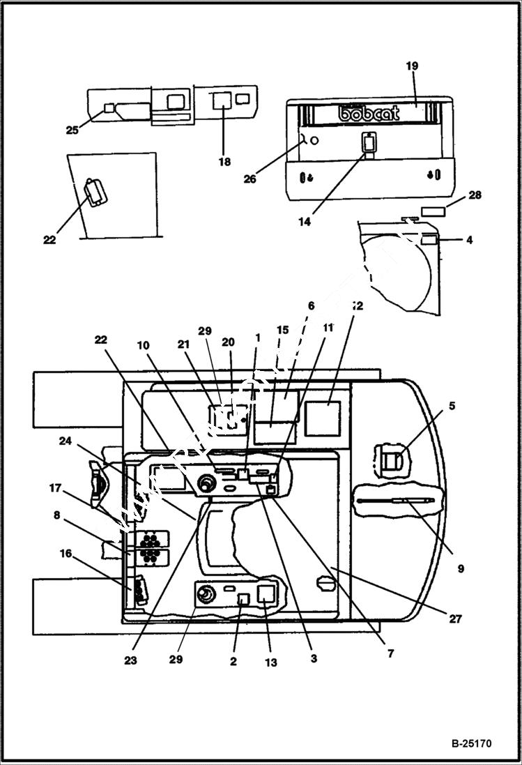
1

6802980

DECAL R.H. console

2

6802981

DECAL L.H. console

3

6802979

DECAL Speed and Pre-Heat

4

DECAL NLA - Warning - Order 6804233 - Was 6643356 - A

5

6565200

DECAL, FILTER

6

6597227

DECAL Lift Capacity - 325

6

6805370

DECAL Lift Capacity - 325

6

6804319

DECAL Lift Capacity - 328 & 325 W/long Arm Kit

6

6805371

DECAL Lift Capacity - 328 & 325 W/long Arm Kit

7

6560573

DECAL spark arrestor

8

6533901

DECAL Controls

9

6577754

DECAL, WARNING 5 gas spring

10

6802978

DECAL Blade

11

6802976

DECAL Swing lock

12

6804326

DECAL Service Schedule

13

DECAL NLA - Order 6804230 & 6804231 - See Refs. 15 & 18 - Was 6802974 - A

14

6643355

DECAL Warning engine moving parts - not used on later models

15

DECAL NLA - Warning - Order 6804230 - Was 6588380 - A

16

6539813

DECAL Aux. pedal

17

6534217

DECAL Boom swing

18

DECAL NLA - Warning - Order 6804231 - Was 6588382 - A

19

DECAL Rear logo NLA - Rear Logo - Was 6628510 - A

20

6565990

DECAL, OIL HYD 5 hydrostatic fluid fill

21

6589739

DECAL Diesel

22

6588921

DECAL fuse

23

6802977

DECAL Key Switch

24

DECAL NLA - Warning - Order 6804232 - Was 6589697 - A

25

6707971

DECAL Operators manual

26

6708929

DECAL, COOLANT propylene glycol

27

6804116

DECAL Two Speed Travel - A

28

6708207

DECAL C Series

29

6805015

DECAL filters

Выбрано товаров: 0