Качественные детали и логистика
Оригинальные и аналоговые запчасти с доставкой по России, Казахстану и Беларуси
©2022 PartSell ООО "Система" ИНН 2463123282 ОГРН 1212400004838
Центральный офис: г. Красноярск, Академика Киренского, д.87, пом.4
Телефон: 8 (800) 777-65-74 Email: zakaz@partsell.ru
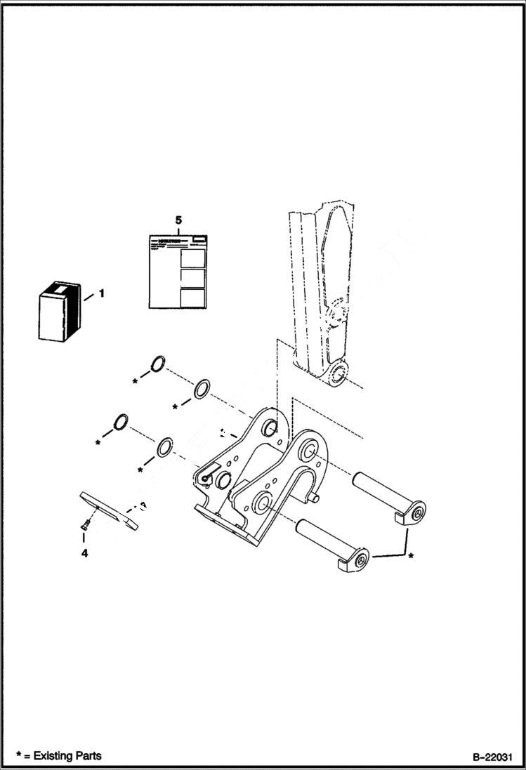
X-CHANGE (Bolt-On) (S/N 514017051 & Below and 516611766 & Below)
№
Артикул
Название
Примечание
Количество
1
KIT NLA - Bolt on X-Change - Was 6806316 - A
2
6812423
X-CHANGE Bolt on - Was 6806279 - A
3
6804485
PLATE
4
17C1052
BOLT
5
6900409
INSTRUCTIONS
Выбрано товаров: 0