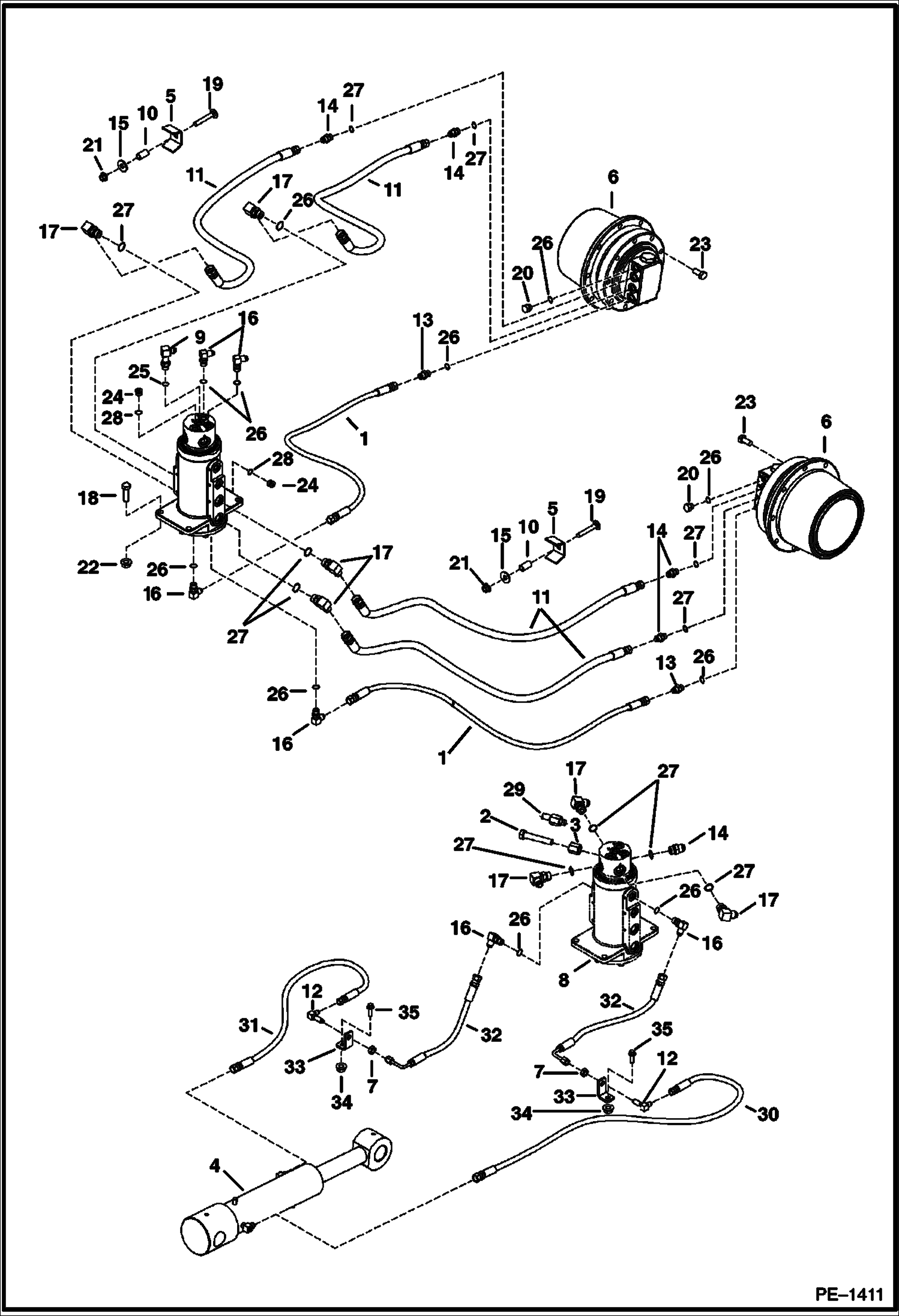
Запчасти Bobcat 328 HYDRAULIC CIRCUITRY (S/N 232312280 & Above and 232412043 & Above) HYDRAULIC SYSTEM

Схема запчастей Bobcat 328 - HYDRAULIC CIRCUITRY (S/N 232312280 & Above and 232412043 & Above) HYDRAULIC SYSTEM
FIT
1:1
100%

Артикул

Название

Примечание

Количество

1

6534010

HOSE

2

BOLT See Illustration SWIVEL JOINT/ PE3057 NLA - Use W/Ref. 3 (NLA/6536478 nut) - Order Ref. 29 - Was 6536147 - A

3

NUT Use W/Ref. 2 (NLA/6536147 screw) - Was 6536748 - B

4

CYLINDER See Illustration BLADE CYLINDER/ C3407

5

6597380

CLAMP

6

MOTOR See Illustration TRAVEL MOTOR/ MS2230

7

86F3

LOCKNUT

8

7123864

SWIVEL ASSY See Illustration SWIVEL JOINT/ PE3057 - Was 6800524 - A

9

ELBOW NLA - W/Ref. 25 - W/flare end o-ring - Was 6715188 - A

9

97K6

O RING flare end

9

6812815

FITTING

10

6805602

SPACER

11

6800816

HOSE

12

88F3

ELBOW 5 bulkhead - Was 88FN00003B - D

13

CONNECTOR NLA - W/Ref. 26 - tapered boss face - Was 15KN00005B - B

13

15KB0606

FITTING, HYD CONNECTOR W/Ref. 26 - flat boss face

13

97K6

O RING flare end

14

CONNECTOR NLA - W/Ref. 27 - tapered boss face - Was 15KN00006B - B

14

15KB0808

FITTING, HYD CONNECTOR W/Ref. 27 - flat boss face

14

97K6

O RING flare end

15

17EM100

WASHER

16

ELBOW NLA - W/Ref. 26 - tapered boss face - Was 17KN00005B - B

16

17KB0606

FITTING W/Ref. 26 - flat boss face

16

97K6

O RING flare end

17

ELBOW NLA - W/Ref. 27 - tapered boss face - Was 17KN00006B - B

17

17KB0808

FITTING, HYD ELBOW W/Ref. 27 - flat boss face

17

97K8

O-RING flare end

18

1CM1240

BOLT

19

21CM1065

BOLT carriage

20

PLUG NLA - W/Ref. 26 - tapered boss face - Was 24KN00005B - B

20

24K5

PLUG W/Ref. 26 - flat boss face

21

43DM10

NUT

22

51DM12

NUT

23

55CM1225

BOLT

24

90KV5

PLUG W/Ref. 28

25

79K6

O RING 10

26

99K6

O RING tapered boss face

26

79K6

O RING 10 flat boss face

27

99K8

O-RING tapered boss face

27

79K8

O RING 10 flat boss face

28

95K6

O'RING

29

6810029

STOP swivel

30

6810184

HOSE

31

6810183

HOSE

32

6810182

HOSE

33

6810169

BRACKET

34

43DM8

NUT

35

29CM825

BOLT

Выбрано товаров: 48