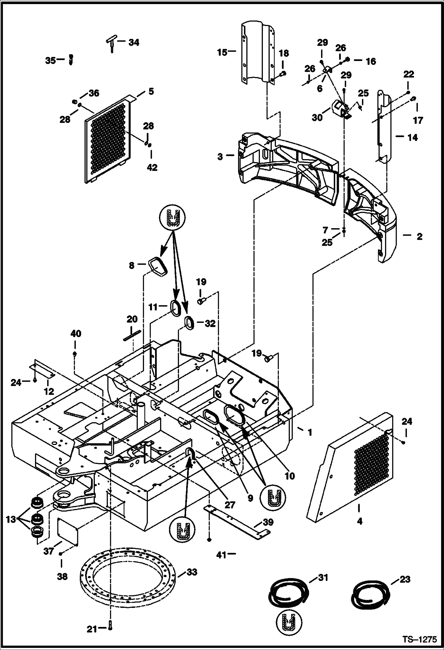
Запчасти Bobcat 328 UPPERSTRUCTURE & ENGINE COVERS (S/N 514013001-514014899) MAIN FRAME

Схема запчастей Bobcat 328 - UPPERSTRUCTURE & ENGINE COVERS (S/N 514013001-514014899) MAIN FRAME
FIT
1:1
100%

Артикул

Название

Примечание

Количество

1

6628629

FRAME Upperstructure

2

6588239

COUNTERWEIGHT L.H.

3

6588241

COUNTERWEIGHT R.H.

4

6588611

COVER Side, L.H.

5

6589626

COVER Side, R.H. - Locking

6

6804078

BRACKET

7

10EM80

WASHER

8

MOULDING NLA - 16'' (391mm) long - Order Ref. 31

9

MOULDING NLA - 12'' (308mm) long - Order Ref. 31

10

MOULDING NLA - 18'' (454mm) long - Order Ref. 31

11

MOULDING NLA - 11'' (280mm) long - Order Ref. 31

12

6596723

COVER

13

6589322

BUSHING,PRESS FIT

14

6587895

CORNER POST L.H.

15

6588131

CORNER POST R.H.

16

6655399

BUMPER

17

29CM1225

BOLT

18

1CM1630

BOLT

19

1CM2040

BOLT

20

INSULATION NLA - 6'' (152mm) long - Order Ref. 23

21

7CM1260

BOLT

22

26GM8016

SCREW

23

SEAL NLA - bulk - sold per foot - Was 6632217 - B

24

26GM10020

BOLT

25

43DM8

NUT

26

61D5

NUT

27

MOULDING NLA - 7'' (178mm) long - Order Ref. 31

28

6536802

WASHER

29

29CM825

BOLT

30

6589060

BRACKET latch - rear door

31

6654139

MOULDING bulk - sold per foot

32

MOULDING NLA - 8'' (196mm) long - Order Ref. 31

33

6655124

BEARING See Illustration UNDERCARRIAGE/ TS1348

34

6586494

PIN Alignment - Service Tool for Aligning Swing Bearing When a Disassembled Upperstructure has been removed from Under- Carriage.

35

6535902

BOLT Alignment - Service Tool for Aligning Swing Bearing when an Assembled Upperstructure has been removed from Under- Carriage

36

6674389

LOCK ASSY Was 6661695 - A

36

6587458

KEY

37

6800002

PLATE Access

38

26GM8013

BOLT

39

6628826

PLATE Support

40

29CM1020

BOLT

41

43DM10

NUT

42

6675843

NUT

Выбрано товаров: 43