Качественные детали и логистика
Оригинальные и аналоговые запчасти с доставкой по России, Казахстану и Беларуси
©2022 PartSell ООО "Система" ИНН 2463123282 ОГРН 1212400004838
Центральный офис: г. Красноярск, Академика Киренского, д.87, пом.4
Телефон: 8 (800) 777-65-74 Email: zakaz@partsell.ru
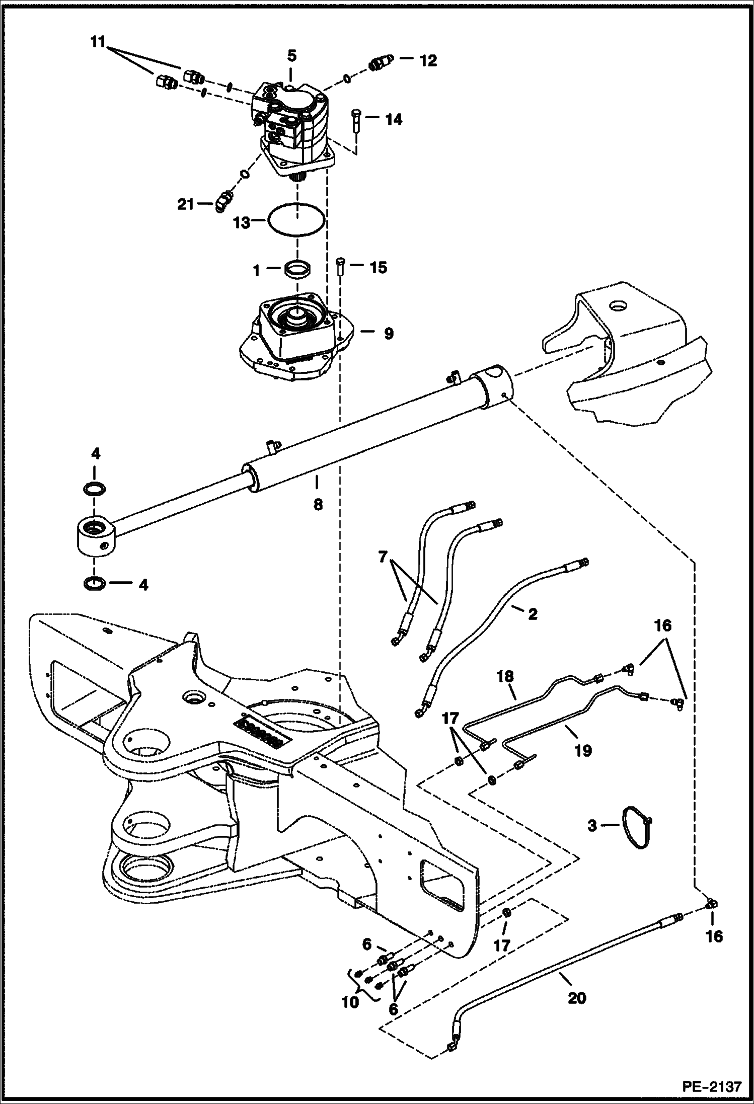
HYDRAULIC CIRCUITRY (Upper)
№
Артикул
Название
Примечание
Количество
1
6513681
BEARING
2
6578185
HOSE
3
6624289
STRAP, TIE
4
6660075
SEAL dust
5
MOTOR See Illustration SWING MOTOR/ MS1847 - slew - Was 6684292 - A
6
6807184
FITTING
7
6808692
8
CYLINDER See Illustration SWING CYLINDER/ PE3419
9
CARRIER See Illustration MOUNT ASSY/ PE1154
10
10H25
FITTING, GREASE 5
11
17KB0608
FITTING, HYD ELBOW
79K8
O RING 10
12
21KB0608
FTG Hyd Straight Tee
13
25K30508
O-RING, 10
14
55CM1240
SCREW
15
55CM1250
16
83F3
ELBOW 5
17
86F3
LOCKNUT
18
7102802
TUBE
19
7102801
20
7106607
HOSE Was 6808359 - B
21
17KB0808
FITTING, HYD ELBOW Was 15KB808 straight adapter - B
Выбрано товаров: 0