Качественные детали и логистика
Оригинальные и аналоговые запчасти с доставкой по России, Казахстану и Беларуси
©2022 PartSell ООО "Система" ИНН 2463123282 ОГРН 1212400004838
Центральный офис: г. Красноярск, Академика Киренского, д.87, пом.4
Телефон: 8 (800) 777-65-74 Email: zakaz@partsell.ru
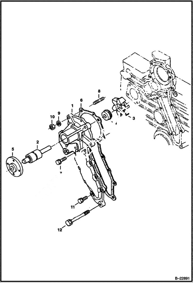
WATER PUMP
№
Артикул
Название
Примечание
Количество
1
6685105
PUMP water
HOUSING NLA - Order 6685105, Water Pump Assy - Was 6685106 - A
2
6685474
BEARING
3
6667460
IMPELLER Was 6684867 - A
4
6684868
SEAL
5
6684869
FLANGE W/pump shaft
6
6684870
GASKET
7
4CM828
BOLT
8
3974267
STUD Was 6653946 - A
9
6667412
WASHER spring
10
6652792
NUT
11
6653580
GEAR
12
6653808
Выбрано товаров: 0