Качественные детали и логистика
Оригинальные и аналоговые запчасти с доставкой по России, Казахстану и Беларуси
©2022 PartSell ООО "Система" ИНН 2463123282 ОГРН 1212400004838
Центральный офис: г. Красноярск, Академика Киренского, д.87, пом.4
Телефон: 8 (800) 777-65-74 Email: zakaz@partsell.ru
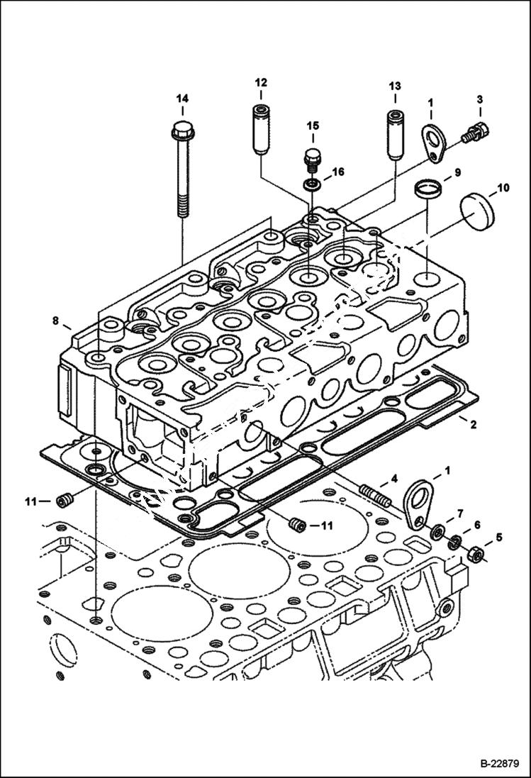
CYLINDER HEAD
№
Артикул
Название
Примечание
Количество
1
3974882
HOOK engine
2
6698629
GASKET, HEAD CYL 1,15 mm
6685858
GASKET 1,20 mm
6698630
GASKET, HEAD CYL 1,25 mm
6698631
GASKET, HEAD CYL 1,30 mm
6698632
GASKET, HEAD CYL 1,35 mm
3
6667421
BOLT
4
6598156
STUD
5
6652792
NUT
6
6667422
WASHER spring
7
1EM80
WASHER Was 2EM8 - A
8
6698627
HEAD, CYL ENG W/Ref. 9-13
9
3974432
PLUG
10
3974433
11
6598116
12
6655154
GUIDE inlet valve
13
6969990
GUIDE exhaust valve
14
6655158
15
6655160
16
6655161
WASHER W/rubber
Выбрано товаров: 0