Запчасти Bobcat 328 ENGINE STOP LEVER POWER UNIT

Схема запчастей Bobcat 328 - ENGINE STOP LEVER POWER UNIT
FIT
1:1
100%

Артикул

Название

Примечание

Количество

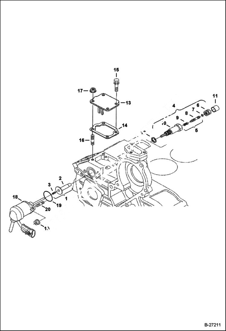
1

6684825

GUIDE, SOLENOID Ref. 2 & 3

2

PLUNGER NSS - Order Ref. 1

3

SPRING NSS - Order Ref. 1

4

6684815

IDLING ASSY Ref. 5 - 10

5

6684816

BOLT, ADJUSTING Ref. 8 & 9

6

6684817

NUT

7

6684891

SEAL

8

BOLT NSS - Order Ref. 4 or 5

9

SPRING NSS - Order Ref. 4 or 5

10

APPARATUS, IDLE NSS - Order Ref. 4

11

6684819

CAP

12

6684818

SEAL

13

6698116

COVER boost housing

14

6684841

GASKET

15

1CM616

SCREW Was 4CM616 - A

16

6683087

STUD

17

6670533

NUT flange

18

6691498

SOLENOID, SHUTOFF FUEL 240 mm (9.45'') lead

19

6685465

O-RING

20

6652764

STUD

Выбрано товаров: 20