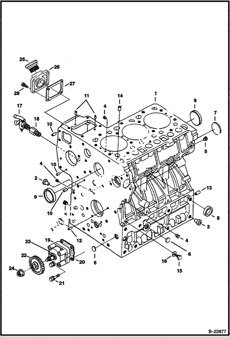
Запчасти Bobcat 329 CRANKCASE POWER UNIT

Схема запчастей Bobcat 329 - CRANKCASE POWER UNIT
FIT
1:1
100%

Артикул

Название

Примечание

Количество

1

6685855

CRANKCASE W/Ref 2 - 14

2

3974399

PLUG

3

6598187

PLUG

4

6685477

PLUG

5

6598170

PLUG

6

6667418

PLUG

7

6657663

PLUG

8

3974389

CAP, SEALING Was 6680638 - A

9

3974390

PLUG

10

3974393

PIN straight

11

3974394

PIN

12

3974395

PIN

13

3974868

PIN

14

3974037

PIN Was 6680643 - A

15

6655884

PLUG

16

3974095

MET-GASK copper - Was 6680792 - A

17

6672190

DRAINCOCK Was 6630177 - A

18

3974871

CONNECTOR

19

6689441

PUMP, OIL ENG Was 3975426 - A

20

6666782

GASKET oil pump - Was 6684786 - A

21

6670770

BOLT

22

3975441

GEAR, CAMSHAFT

23

6969805

KEY,FEATHER Was 6653888 - B,D

24

6653888

NUT

25

7015273

PLUG, FILL oil fill - Was 6685472 - A

26

6685478

FLANGE oil

27

6666783

GASKET Was 6684752 - A

28

6652580

BOLT

Выбрано товаров: 28