Запчасти Bobcat 329 GEAR CASE POWER UNIT

Схема запчастей Bobcat 329 - GEAR CASE POWER UNIT
FIT
1:1
100%

Артикул

Название

Примечание

Количество

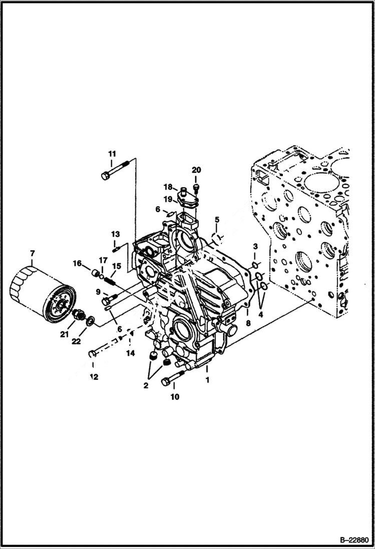
1

HOUSING NLA - assy - W/Ref. 2-6 - Order 6688645 & Ref. 3-6 - Was 6685523 - A

1

GEAR CASE NLA - W/Ref. 2 - Order 7012337 housing & 7010599 gasket and DO NOT USE Ref. 3-5 o-rings - Was 6688645 - A

2

6672360

PLUG

3

6685466

O-RING

4

6685467

O-RING

5

6685468

O-RING

6

3974395

PIN straight

7

6675517

FILTER, OIL ENG 12

8

6684770

GASKET

9

1CM835

BOLT

9

6680706

BOLT flange

10

6680562

BOLT

10

6692375

BOLT flange

11

6653807

BOLT

11

6680686

BOLT flange

12

6684772

BOLT

12

6692376

BOLT flange

13

6652764

STUD Was 3974462B - A

14

6667422

WASHER spring

15

6652652

SPRING Was 3974892B - A

16

3974893

SEAT seat

17

10J13

BALL

18

3974894

FLANGE water return

19

6666803

GASKET water return flange - Was 6684774 - A

20

1CM620

BOLT Was 4CM620 - A

21

6653809

CONNECTOR pipe - Was 3974891 - A

22

6685501

WASHER

Выбрано товаров: 27