Запчасти Bobcat 329 GOVERNOR Kubota - D1703-M-E3B - Interim Tier IV Replacement REPLACEMENT ENGINE

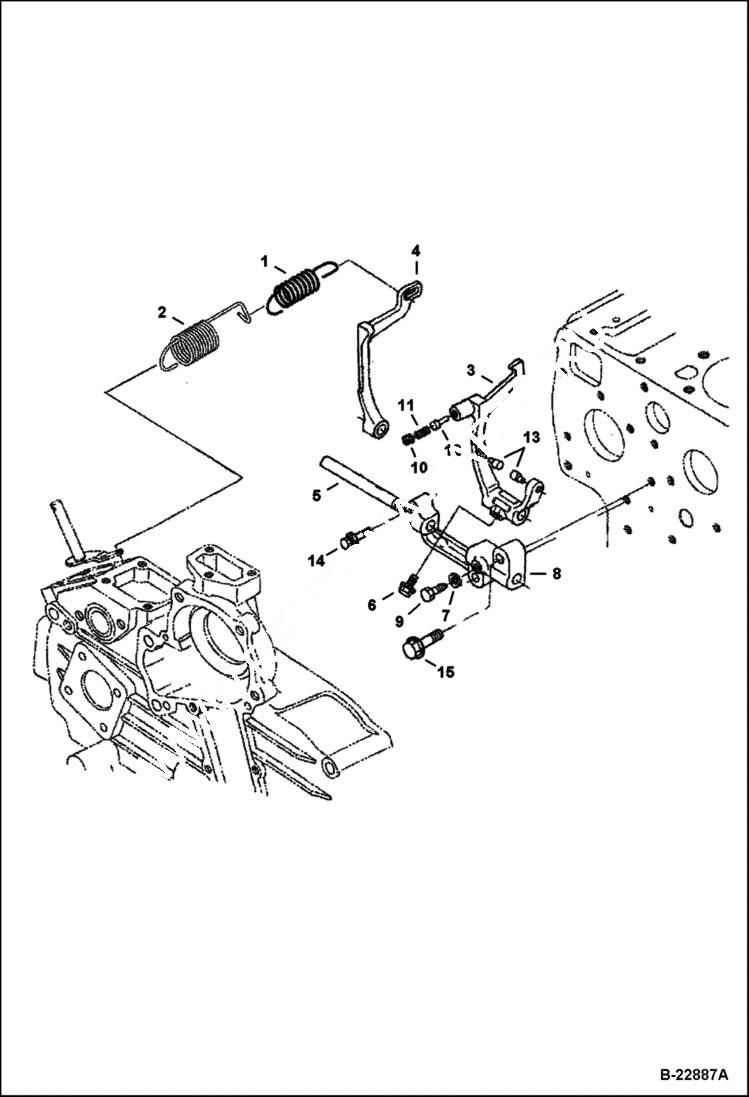
Схема запчастей Bobcat 329 - GOVERNOR Kubota - D1703-M-E3B - Interim Tier IV Replacement REPLACEMENT ENGINE
FIT
1:1
100%

Артикул

Название

Примечание

Количество

1

6685869

SPRING

2

6685871

SPRING

3

6698628

LEVER, FORK W/Ref. 4-13

4

6684832

LEVER

5

6684833

SHAFT fork lever

6

6680830

BOLT flange

7

6667419

WASHER spring

8

6653916

HOLDER

9

3974662

BOLT

10

SCREW NSS - Order Ref. 3

11

SPRING NSS - Order Ref. 3

12

PIN NSS - Order Ref. 3

13

PIN NSS - Order Ref. 3

14

6685464

BOLT

15

6680706

BOLT flange

Выбрано товаров: 15