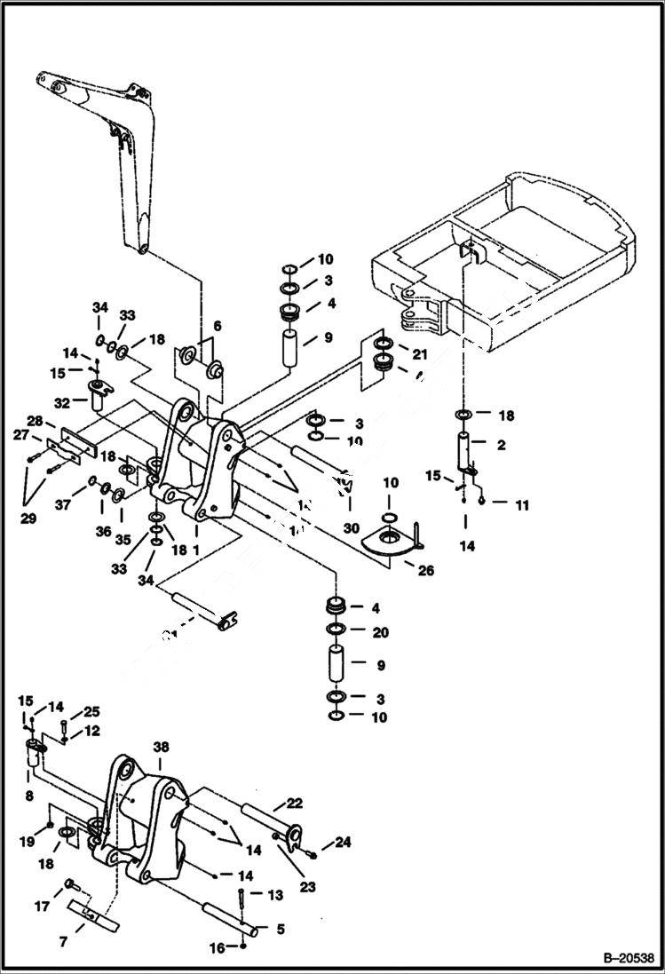
Запчасти Bobcat 331 SWING BRACKET WORK EQUIPMENT

Схема запчастей Bobcat 331 - SWING BRACKET WORK EQUIPMENT
FIT
1:1
100%

Артикул

Название

Примечание

Количество

1

6597197

BRACKET Swing - Was 6587831 - A

2

6587346

PIN

3

6538893

WASHER

4

6588095

BUSHING, WELD-ON

5

6539534

PIN

6

6539528

BUSHING

7

6586458

CLAMP Hose - Was 6589775 - B

8

6587347

PIN

9

6588094

PIN

10

6660274

SNAP RING

11

29CM1220

BOLT

12

15EM120

WASHER

13

7CM1080

BOLT

14

10H25

FITTING, GREASE 5

15

6652943

COVER grease fitting

16

49DM10

NUT

17

29CM1020

BOLT

18

6535312

WASHER Swing cylinder

19

49DM12

NUT

20

6588098

WASHER

21

6588099

WASHER .22'' (5,5mm) thick

21

6588121

WASHER .24''(6,0mm) thick

21

6588122

WASHER .26''(6,5mm) thick

22

6588124

PIN

23

6586327

TUBE

24

29CM1235

BOLT

25

1CM1245

BOLT 5

26

6589641

SUPPORT Hose

27

6589775

CLAMP Hose

28

6589776

FOAM

29

29CM1055

BOLT

30

6597198

PIN, PIVOT SWING

31

6597200

PIN

32

6597202

PIN

33

6666549

WASHER

34

6665618

RING

35

6535313

SHIM

36

6534111

WASHER

37

6534154

RING

38

BRACKET NLA - Swing - Order Ref 1, (4) Ref. 18, Ref. 28, (1) Ref. 29, Ref. 30, (2) Ref. 31, (2) Ref. 32, (1) Ref. 33, (1) Ref. 34 & Ref. 35 - Was 6587831 - A

Выбрано товаров: 40