Запчасти Bobcat 331 BOOM WORK EQUIPMENT

Схема запчастей Bobcat 331 - BOOM WORK EQUIPMENT
FIT
1:1
100%

Артикул

Название

Примечание

Количество

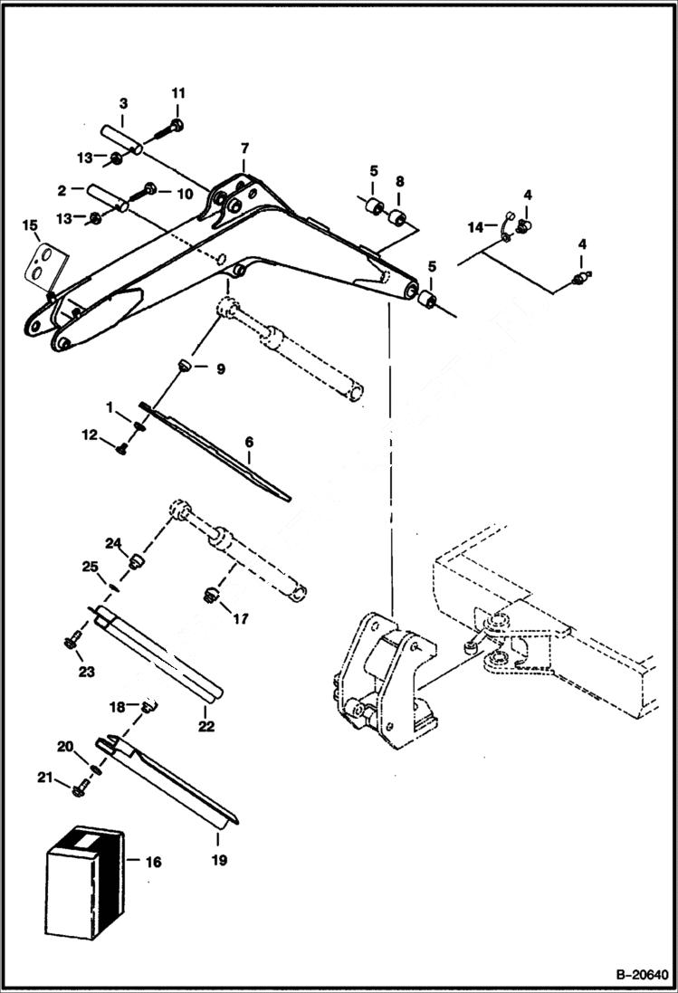
1

17EM120

WASHER

2

6539100

PIN

3

6539101

PIN

4

12H15

FITTING, GREASE 5 90 degree - See Service Letter dated Sept. 2, 1994

4

10H25

FITTING, GREASE 5 straight

5

6539110

BUSHING, PRESS FIT

6

6539263

SHIELD

7

6539114

BOOM

8

6535976

TUBE

9

6539264

SPACER

10

1CM1070

BOLT

11

1CM1080

BOLT

12

1CM1255

SCREW Was 7CM01255B - A

13

39DM10

NUT

14

6652943

COVER grease fitting

15

6589353

PLATE welded on the boom

16

6800329

KIT Boom Cylinder Guard - W/Refs. 17 - 21 - See Service Letter dated

17

6628788

GUIDE Boom Cylinder - Weld on

18

6800138

SPACER for Use W/Ref.19 (NLA/6596493 shield)

19

SHIELD NLA - Order 7130856 shield - also order Ref. 23-25 - Was 6596493 - A

20

15EM120

WASHER for Use W/Ref.19 (NLA/6596493 shield)

21

59CM1245

BOLT for Use W/Ref.19 (NLA/6596493 shield)

22

7130856

SHIELD, W/A

23

7131273

SCREW for Use W/Ref. 22

24

7131109

SPACER for Use W/Ref. 22

25

6536803

WASHER spring washer - for Use W/Ref 22

Выбрано товаров: 26