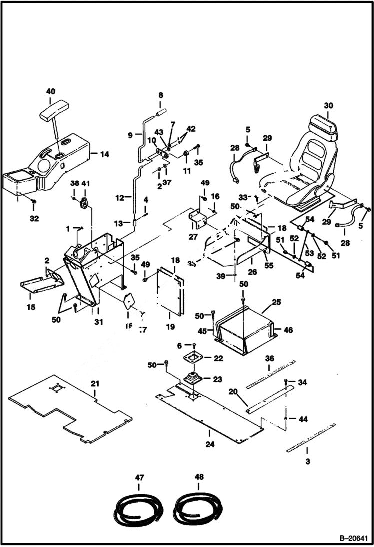
Запчасти Bobcat 331 CONTROL CONSOLE, FLOORBOARDS AND SEAT CONTROLS

Схема запчастей Bobcat 331 - CONTROL CONSOLE, FLOORBOARDS AND SEAT CONTROLS
FIT
1:1
100%

Артикул

Название

Примечание

Количество

1

29CM1020

BOLT

2

1DM10

NUT

3

6588953

TREAD attaches to upperstructure

4

14J1820

PIN

5

29CM825

BOLT

6

1CM512

BOLT

7

15EM160

WASHERS

8

KNOB NLA - Was 6658108 - A

9

6588777

ROD

10

6586716

PLATE

11

6539769

BUSHING

12

6588555

ROD

13

6586717

PIN swing lock

14

6596556

COVER See BTIE-041 - For ignition switch hole information - Was 6596348 - B

15

6588551

BRACKET gauge panel - Also Order (4) 6589675 - Was 6588550 - A

16

6537544

COVER

17

6631000

THUMBSCREW

18

6588618

INSULATION

19

6588786

PANEL

20

6588552

ANGLE

21

6588713

FLOORMAT cab

21

6589893

FLOORMAT cab - square hole in middle

21

6588712

FLOORMAT canopy

22

6585301

RETAINER boot

23

BOOT NLA - Was 6585347 - A

24

6588553

PLATE floorboard

25

6588691

COVER swing motor

26

6588788

MOUNT

27

6588790

BRACKET support

28

6564774

SEAT BELT

29

GUIDE NLA - assy. - seat belt - Order 6539095, (2) 6630207 & (2) 6565335 - Was 6539096 - A

29

STRAP NSS - belt guide - Order 6539095, (2) 6630207 & (2) 6565335

29

GUIDE NLA - Order 6703703 - yellow plastic - Was 6565355 - A

29

1662965

RIVET

30

SEAT ASSY. See Illustration SEAT/ B20535

31

6588547

CONSOLE R.H.

32

6589675

SCREW self tapping - Was 6587499 - A

33

29CM816

SCREW

34

29CM1030

BOLT

35

1CM1045

BOLT

36

6593245

TREAD

37

27E6

WASHER 5

38

49DM10

NUT

39

45DM8

NUT 10

40

6537510

ARM REST

41

6537514

MOUNT arm rest

42

13JM20025

COTTERPIN

43

15EM120

WASHER

44

6503451

SPACER

45

SEAL NLA - 24'' (600mm) long - Order Ref. 47

46

INSULATION NLA - 6'' (153mm) long - Order Ref. 48

47

6513152

SEAL bulk - sold per foot

48

SEAL NLA - bulk - sold per foot - Was 6632217 - B

49

26GM8016

SCREW self tapping

50

26GM10020

BOLT self tapping

51

1CM835

BOLT

52

25E16

WSHR

53

6589689

TETHERS

54

6608719

SPACER

55

49DM8

NUT

Выбрано товаров: 60