Запчасти Bobcat 331 R.H. JOYSTICK CONTROLS HYDRAULIC SYSTEM

Схема запчастей Bobcat 331 - R.H. JOYSTICK CONTROLS HYDRAULIC SYSTEM
FIT
1:1
100%

Артикул

Название

Примечание

Количество

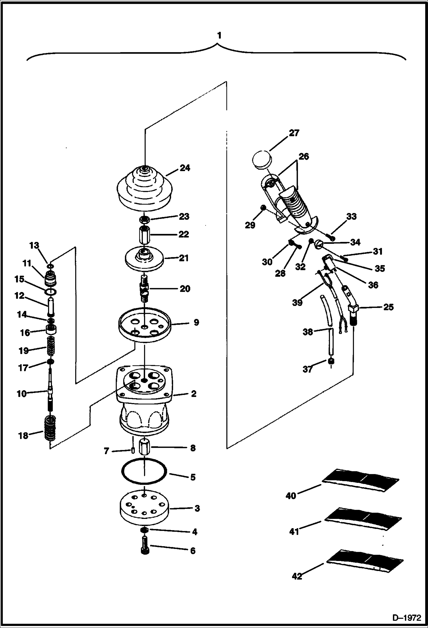
1

6654120

JOYSTICK ASSY. W/Ref. 2-39

2

HOUSING NSS - Order Ref. 1

3

6655289

PLATE

4

WASHER NSS - sealing - See Ref. 40

5

O-RING NSS - See Ref. 40

6

6655286

BOLT

7

6655285

PIN

8

BUSHING NSS - Order Ref. 1

9

6655283

PLATE

10

SPOOL NSS - Order Ref. 1

11

6655281

PLUG

12

6655280

ROD

13

SEAL NSS - See Ref. 40

14

6655277

WASHER

15

O-RING NSS - See Ref. 40

16

6655276

SEAT

17

6655275

WASHER

18

6655274

SPRING

19

6655273

SPRING

20

6655272

JOINT

21

6655271

ACTUATOR

22

6655270

NUT

23

6655269

NUT

24

6655251

BELLOWS

25

LEVER NSS - See Ref. 41

26

6655267

HANDLE See Ref. 41

27

6655266

CAP See Ref. 41

28

SCREW NSS - See Ref. 41

29

NUT NSS - See Ref. 41

30

WASHER NSS - See Ref. 41

31

SCREW NSS - See Ref. 41

32

NUT NSS - See Ref. 41

33

SCREW NSS - See Ref. 41

34

ROLLER NSS - See Ref. 41

35

LEVER NSS - switch - See Ref. 41

36

SWITCH NSS - See Ref. 41 & 42

36

RETAINER NSS - switch - See Ref. 41 - Was 6655256 - A

36

RETAINER NSS - switch - See Ref. 41 - Was 6655257 - A

37

6655254

GROMMET

38

TUBING NSS - See Ref. 41

39

WIRE NSS - See Ref. 41 & 42

40

6658095

SEAL KIT W/Ref. 4, 5, 13, & 15 - incl. all seals to repair a complete joystick

41

6658096

HANDLE KIT W/Ref. 25-36, 38 & 39

42

6658094

SWITCH KIT W/Ref. 36 & 39

Выбрано товаров: 44