Запчасти Bobcat 331 ELECTRICAL SYSTEMS ELECTRICAL SYSTEM

Схема запчастей Bobcat 331 - ELECTRICAL SYSTEMS ELECTRICAL SYSTEM
FIT
1:1
100%

Артикул

Название

Примечание

Количество

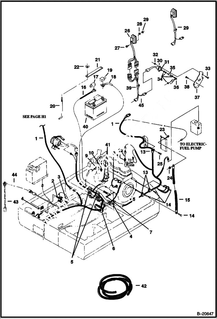
1

6589318

HARNESS Was 6588710 - A

2

6665105

ALARM Was 6662635 - A

3

1CM816

BOLT

4

1DM8

NUT

5

6651975

SWITCH magnetic

6

MOULDING NLA - 12'' (306mm) long - Order Ref. 42

7

5CM1220

SCREW

8

6657389

SWITCH oil pressure - Was 6657287 - D

9

6657082

SWITCH water temperature

10

19F6

FITTING

11

6657287

SENDOR engine temperature - Was 6537502 - A

12

6538534

WIRE resistance

13

31H42

CLIP

14

5CM1030

BOLT

15

6562141

WIRE ground

16

6534798

CABLE negative - W/Ref. 17

17

6599652

BOOT

18

6534847

CABLE positive - W/Ref. 19

19

2356058

BOOT

20

6536738

BOLT battery

21

6535650

CLAMP

22

35DM80

NUT wing

23

29CM825

BOLT

24

42DM8

NUT

25

1CM1065

BOLT

26

TIMER NLA - solenoid - Order Ref. 45 & 46 - Was 6669415 - A

26

6702444

FUSE 25A 5 25amp Was 6670808 - A

27

29CM820

SCREW

28

2751101

WASHER NE rubber

29

49DM8

NUT

30

6681513

SOLENOID fuel shut off - W/Ref. 31 - Was 6667993 - A

31

6664286

BOOT Also Order Ref. 41 (1)

32

49DM8

NUT

33

1CM616

SCREW

34

62D4

NUT

35

6578366

BALL JOINT

36

6578363

ROD END

37

6588966

BRACKET

38

5CM1020

SCREW

39

30H42

CLAMP

40

6662222

BATTERY

41

6610510

TIE

42

6654139

MOULDING bulk - sold per foot

43

7179840

SENSOR FUEL W/ O-ring - Was 6680440 - A

43

79K14

O RING 10

44

6588351

HARNESS fuel sendor

45

6713879

HARNESS

Выбрано товаров: 47